Microchip Technology MCP2030DM-TPRBOARD DEMO PICTAIL MCP2030
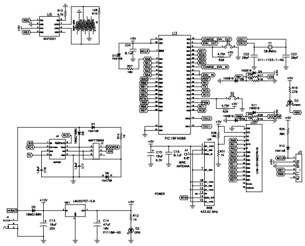
The Microchip Technology MCP2030DM-TPR Demo Kit is a comprehensive solution for industrial automation applications. It is designed to demonstrate the capabilities of the MCP2030 434 MHz bidirectional communications module. The kit includes a MCP2030DM-TPR module, a USB-to-UART bridge, a USB cable, and a 434 MHz antenna. The MCP2030DM-TPR module is a low-power, low-cost, and highly integrated transceiver module that supports bidirectional communication over a 434 MHz frequency band. It is ideal for industrial automation applications such as remote monitoring, control, and data acquisition. The USB-to-UART bridge allows for easy connection to a PC for programming and debugging. The USB cable and 434 MHz antenna provide the necessary connections for the MCP2030DM-TPR module to communicate with other devices. The MCP2030DM-TPR Demo Kit is a great tool for quickly and easily getting started with industrial automation applications.
- TypeParameter
- Factory Lead Time14 Weeks
- MountFront
- Published2006
- Part StatusActive
- Moisture Sensitivity Level (MSL)1 (Unlimited)
- TypeFront End
- Frequency125kHz
- Base Part NumberMCP2030
- Operating Supply Voltage18V
- Supplied ContentsBoard(s)
- Evaluation KitYes
- RoHS StatusROHS3 Compliant
| Part Number | Manufacturer | Description | Stock | RFQ |
|---|---|---|---|---|
| Microchip Technology | IC MCU 8BIT 64KB FLASH 40DIP | 30080 | RFQ | |
| Microchip Technology | Secure MCU 8bit PIC12 PIC RISC 3.5KB Flash 5V Automotive 14-Pin TSSOP Tube | 27 | RFQ | |
| Microchip Technology | IC OPAMP GP 2 CIRCUIT 8SOIC | 300 | RFQ | |
| Lumex Opto/Components Inc. | LUMEXLCM-S01602DTR/MDISPLAY, ALPHANUMERIC, 16 X 2 | 208 | BUY | |
| Microchip Technology | IC KEYLESS ENTRY AFE 14TSSOP | 1 | BUY | |
| Microchip Technology | Microchip TC4422CAT; MOSFET Power Driver 9A; 4.5 to 18V; Non-Inverting; 5-Pin TO-220 | 33000 | BUY | |
| ECS Inc. | CRYSTAL 20.0000MHZ 20PF T/H | 3597 | BUY |


Product
Brand
Articles
Tools




















