Microchip Technology PKSERIAL-I2C1MICROCHIP PKSERIAL-I2C1 PICKIT, SERIAL I2C, DEMO BOARD
Description
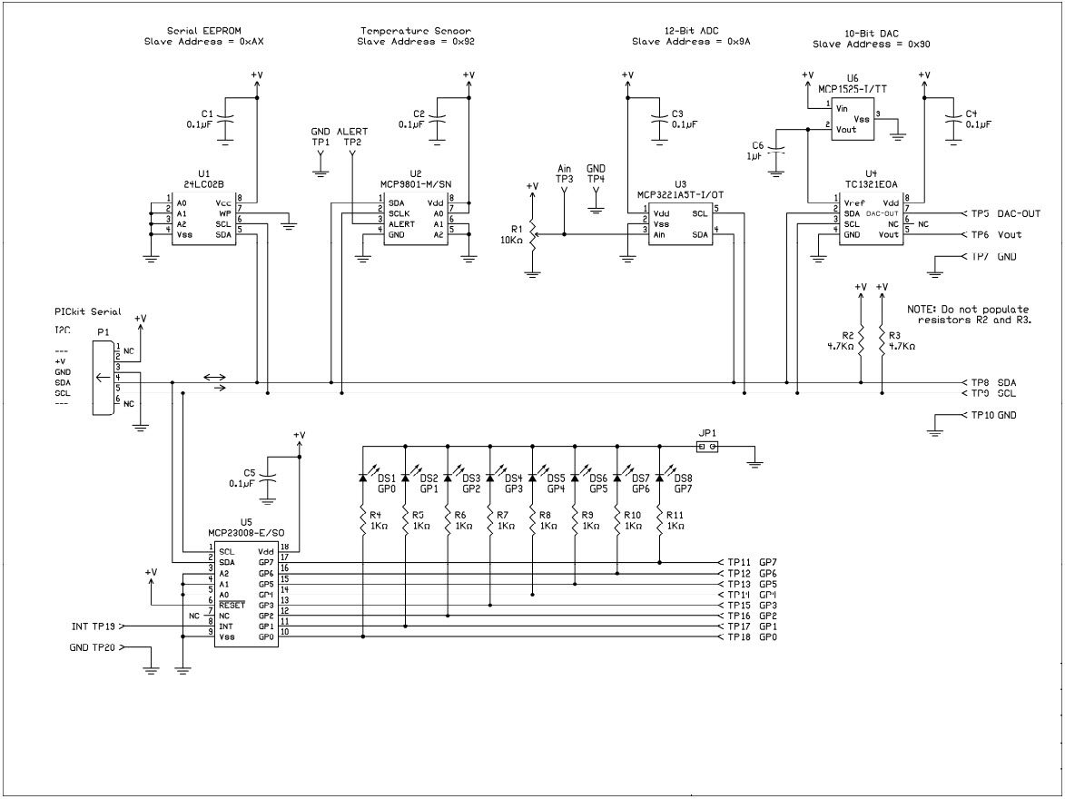
The Microchip Technology PKSERIAL-I2C1, PICkit Serial I2C Demo Board, Communications and Telecom Board is a versatile and powerful development board designed to help engineers and hobbyists explore the capabilities of the I2C serial communication protocol. It features a PIC16F1454 microcontroller, a PICkit Serial Analyzer, and a variety of I2C-compatible devices, including an EEPROM, a temperature sensor, and a real-time clock. The board also includes a USB-to-serial converter, allowing users to easily connect to a PC for programming and debugging. With its comprehensive set of features, the PKSERIAL-I2C1 board is an ideal platform for learning and experimenting with I2C communication.
Specifications
Microchip Technology technical specifications, attributes, parameters and parts with similar specifications to Microchip Technology .
- TypeParameter
- Factory Lead Time14 Weeks
- Published2007
- Part StatusActive
- Moisture Sensitivity Level (MSL)1 (Unlimited)
- TypeInterface
- FunctionI2C Devices
- InterfaceI2C
- Utilized IC / Part24LC02B, MCP9800, MCP3221, TC1321, MCP23008
- Supplied ContentsBoard(s)
- Evaluation KitYes
- Core ArchitecturePIC
- Primary AttributesI2C ADC, DAC, Temp Sensor, EEPROM, I/O Expander
- EmbeddedNo
- Secondary Attributes8 LEDs
- FeaturesI2C
- REACH SVHCNo SVHC
- Radiation HardeningNo
- RoHS StatusROHS3 Compliant
- Lead FreeLead Free
0 Similar Products Remaining
Technical Documents
Associated Products
| Part Number | Manufacturer | Description | Stock | RFQ |
|---|---|---|---|---|
| Microchip Technology | IC VREF SERIES 2.5V TO92-3 | 25 | BUY | |
| Microchip Technology | SENSOR DIGITAL -55C-125C SOT23-5 | 1 | RFQ | |
| Microchip Technology | MICROCHIP - MCP9800A0T-M/OT - TEMPERATURE SENSOR, 12 BIT, 0.5ŒC, SOT-23-5, FULL REEL | 0 | RFQ | |
| Microchip | MCP9800A1T-M/OT | 2000 | RFQ | |
| Microchip Technology | MICROCHIP - MCP23008-E/SO - I/O Expander, 8-bits, 1.7 MHz, I2C, Seriell, 1.8 V, 5.5 V, SOIC | 6000 | RFQ | |
| Microchip Technology | IC ADC 12BIT 2.7V 1CH LP SOT23-5 | 0 | RFQ | |
| Microchip Technology | Digital to Analogue Converter, 10 bit, Serial, 2.7V to 5.5V, SOIC, 8 | 15 | BUY | |
| Microchip Technology | SENSOR DIGITAL -55C-125C SOT23-5 | 0 | RFQ |


Product
Brand
Articles
Tools
















