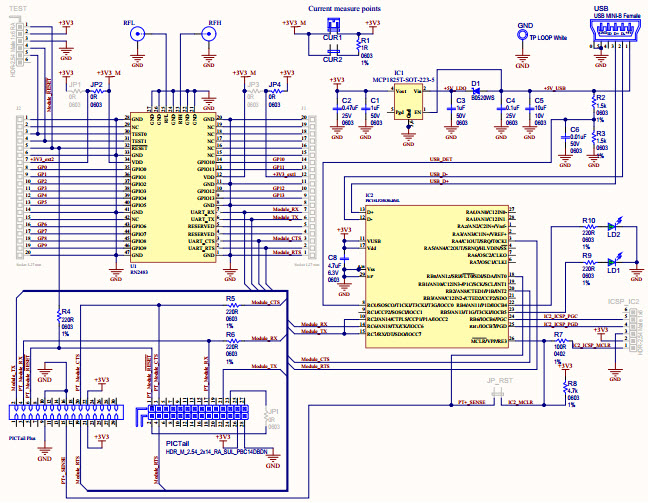
Microchip Technology RN-2483-PICTAILPICTAILPLUS LORA BOARD RN2483
The Microchip Technology RN-2483-PICTAIL, RN-2483-PICTAIL, RN2483 LoRa Technology PICtail/PICtail Plus Daughter Board is a communications and telecom development tool designed to help engineers and developers create and test LoRa-based applications. It is a daughter board that plugs into the PICtail/PICtail Plus socket of a Microchip development board, such as the PIC32MX or PIC32MZ. The board features an RN2483 LoRa module, which is a low-power, long-range wireless transceiver module that operates in the 868 MHz frequency band. The board also includes an on-board antenna, a U.FL connector for an external antenna, and a USB connector for programming and debugging. The board is ideal for applications such as asset tracking, smart metering, and home automation.
- TypeParameter
- Factory Lead Time14 Weeks
- MountCable
- SeriesPICtail™ Plus
- Published2014
- Part StatusActive
- Moisture Sensitivity Level (MSL)1 (Unlimited)
- TypeTransceiver; LoRa® (LoRaWAN™)
- Frequency434MHz 868MHz
- Supplied ContentsBoard(s), Cable(s)
- Evaluation KitYes
- Core ArchitecturePIC
- REACH SVHCNo SVHC
- RoHS StatusROHS3 Compliant
| Part Number | Manufacturer | Description | Stock | RFQ |
|---|---|---|---|---|
| ON Semiconductor | MODULE SPM 1.2KV 10A SPMMC | 1200 | BUY |


Product
Brand
Articles
Tools









