MikroElektronika MIKROE-3290THERMO 8 CLICK
Description
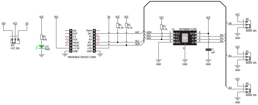
The MikroElektronika MIKROE-3290 Thermo 8 Click Board is a consumer electronics device based on the MCP9808 digital temperature sensor. It is designed to provide accurate temperature readings in a wide range of applications. The board features a high-accuracy temperature sensor with a resolution of 0.0625°C and a range of -20°C to +100°C. It also has an I2C interface for easy integration with other devices. The board is powered by a 3.3V supply and is compatible with a wide range of microcontrollers. The board is ideal for applications such as temperature monitoring, HVAC systems, and medical equipment.
Specifications
MikroElektronika technical specifications, attributes, parameters and parts with similar specifications to MikroElektronika .
- TypeParameter
- Factory Lead Time4 Weeks
- Part StatusActive
- Moisture Sensitivity Level (MSL)1 (Unlimited)
- TypeSensor
- FunctionTemperature
- Utilized IC / PartMCP9808
- ContentsBoard(s)
- PlatformmikroBUS™ Click™
- RoHS StatusROHS3 Compliant
0 Similar Products Remaining
Technical Documents
Associated Products
| Part Number | Manufacturer | Description | Stock | RFQ |
|---|---|---|---|---|
| Microchip Technology | Gate Drivers 85V Half Bridge MOSFET Driver | 2132 | BUY | |
| Microchip Technology | IC MOSFET DVR 85V HALF BRDG | 20780 | BUY | |
| Microchip Technology | Gate Drivers 85V Half Bridge MOSFET Driver | 46 | BUY | |
| Microchip Technology | Gate Drivers 85V Half Bridge MOSFET Driver | 0 | RFQ |


Product
Brand
Articles
Tools














