MikroElektronika MIKROE-3393HALL CURRENT 5 CLICK
Description
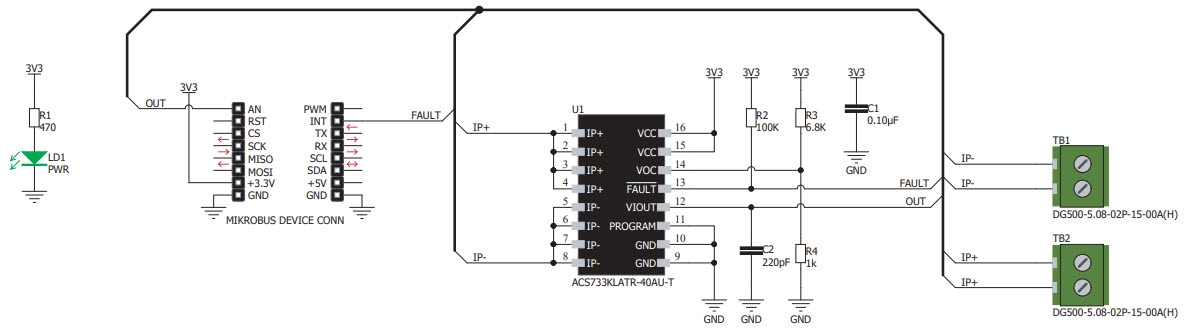
The MikroElektronika MIKROE-3393 Hall Current 5 Click Board is a powerful and versatile tool for measuring and monitoring current with the ACS733 Hall Effect Linear Current Sensor. This board features an over-current fault detection system, as well as instrumentation and measurement capabilities. It is capable of measuring both AC and DC currents, and can detect current levels up to 5A. The board also features a wide range of adjustable settings, allowing for precise current measurements. Additionally, the board is equipped with a 3.3V regulator, allowing it to be used with a wide range of power sources. The MIKROE-3393 Hall Current 5 Click Board is an ideal solution for current monitoring and measurement applications.
Specifications
MikroElektronika technical specifications, attributes, parameters and parts with similar specifications to MikroElektronika .
- TypeParameter
- Factory Lead Time8 Weeks
- Part StatusActive
- Moisture Sensitivity Level (MSL)1 (Unlimited)
- TypeSensor
- FunctionCurrent
- Utilized IC / PartACS733
- ContentsBoard(s)
- PlatformmikroBUS™ Click™
- RoHS StatusROHS3 Compliant
0 Similar Products Remaining
Technical Documents
Associated Products
| Part Number | Manufacturer | Description | Stock | RFQ |
|---|---|---|---|---|
| Microchip Technology | IC EEPROM 2K I2C 400KHZ SOT23-6 | 5000 | BUY |


Product
Brand
Articles
Tools













