MikroElektronika MIKROE-3991PROXIMITY 13 CLICK
Description
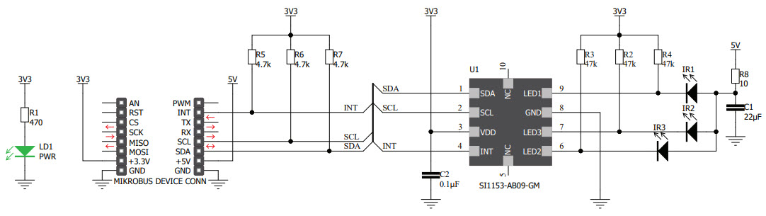
The MikroElektronika MIKROE-3991 Proximity 13 Click Board is a consumer electronics device designed to detect the presence of objects in close proximity. It features an integrated 13-channel infrared proximity sensor, which is capable of detecting objects up to a distance of 10 cm. The board also includes an onboard LED indicator, which can be used to indicate the presence of an object. The board is powered by a 3.3V power supply and is compatible with a wide range of microcontrollers. It is an ideal solution for applications such as presence detection, object counting, and motion detection.
Specifications
MikroElektronika technical specifications, attributes, parameters and parts with similar specifications to MikroElektronika .
- TypeParameter
- Factory Lead Time4 Weeks
- Part StatusActive
- Moisture Sensitivity Level (MSL)1 (Unlimited)
- TypeSensor
- FunctionProximity Detector
- Utilized IC / PartSi1153
- ContentsBoard(s)
- PlatformmikroBUS™ Click™
- RoHS StatusROHS3 Compliant
0 Similar Products Remaining
Technical Documents
Associated Products
| Part Number | Manufacturer | Description | Stock | RFQ |
|---|---|---|---|---|
| Maxim Integrated | MAXIM INTEGRATED PRODUCTS MAX6820UT T.. Sequencer, 2-Monitors, 0.9V-5.5Vin, SOT-23-6 | 100 | RFQ |


Product
Brand
Articles
Tools









