Nuvoton Technology Corporation of America ISD-ES302DEMO BOARD FOR ISD33000 SERIES
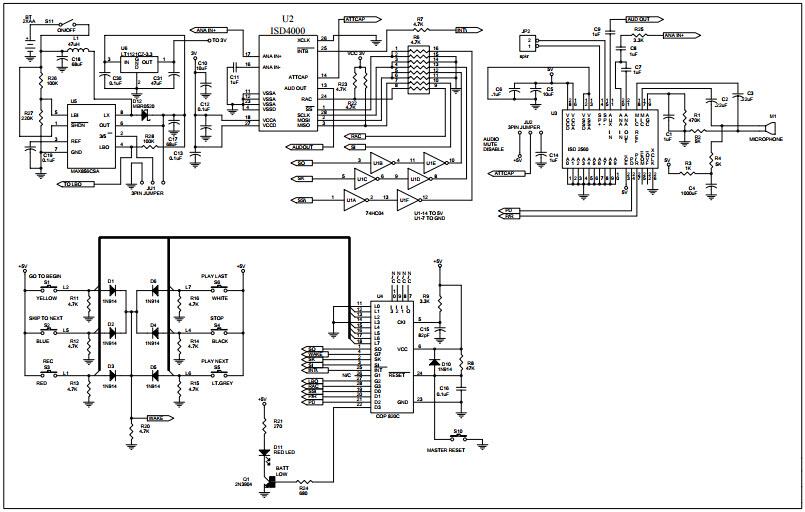
The Nuvoton Technology Corporation ISD-ES302, ES302 Demonstration Board is a powerful consumer electronics device based on the ISD4002-150 Voice Record and Playback chip. It is designed to provide a comprehensive platform for the development of voice-based applications. The board features a wide range of features, including a built-in microphone, speaker, and amplifier, as well as a variety of input and output ports. It also includes a USB port for easy connection to a computer. The board is capable of recording and playing back audio in a variety of formats, including MP3, WAV, and WMA. Additionally, the board is capable of playing back audio from a variety of sources, including CD, DVD, and USB flash drives. The board also includes a variety of software tools for programming and debugging, making it an ideal choice for developers looking to create voice-based applications.
- TypeParameter
- SeriesChipCorder®
- Published2006
- Part StatusObsolete
- Moisture Sensitivity Level (MSL)Not Applicable
- TypeAudio
- FunctionVoice Record/Playback
- Utilized IC / PartISD4002, ISD4003, ISD4004
- Supplied ContentsBoard(s)
- Evaluation KitYes
- RoHS StatusNon-RoHS Compliant


Product
Brand
Articles
Tools




