Silicon Labs SI5356-EVBEVALUATION BOARD FOR SI5356
Description
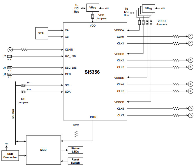
The Silicon Labs SI5356-EVB is an evaluation board for the Si5356 1 to 200MHz clock generator. This board is designed for use in Ethernet routers, Ethernet switches, communications, and telecom applications. It features a wide range of output frequencies, low jitter, and low power consumption. The board also includes a USB interface for easy programming and configuration. The SI5356-EVB is a great tool for evaluating the performance of the Si5356 clock generator in a variety of applications.
Specifications
Silicon Labs technical specifications, attributes, parameters and parts with similar specifications to Silicon Labs .
- TypeParameter
- Factory Lead Time3 Weeks
- Weight50.008559mg
- PackagingBulk
- Published2001
- Part StatusActive
- Moisture Sensitivity Level (MSL)1 (Unlimited)
- TypeTiming
- Frequency200MHz
- FunctionClock Generator
- Number of Outputs8
- Operating Supply Voltage3.3V
- InterfaceI2C
- Utilized IC / PartSI5356
- Supplied ContentsBoard(s)
- Evaluation KitYes
- REACH SVHCUnknown
- RoHS StatusNon-RoHS Compliant
0 Similar Products Remaining
Technical Documents
Associated Products
| Part Number | Manufacturer | Description | Stock | RFQ |
|---|---|---|---|---|
| EPSON | CRYSTAL 25.00 MHZ 16.0PF SMD | 4000 | BUY | |
| Analog Devices Inc. | ANALOG DEVICES AD1582BRTZ-REEL7.. Voltage Reference, Precision, Series - Fixed, AD1582 Series, 2.5V, SOT-23-3 | 4000 | RFQ | |
| Analog Devices Inc. | ANALOG DEVICES - ADG728BRUZ - Analogue Switch, 1 Channels, SPST, 4.5 ohm, 2.7V to 5.5V, TSSOP, 16 Pins | 1000 | RFQ | |
| Silicon Labs | MCU 8-bit C8051F34x 8051 CISC 64KB Flash 3.3V/5V 48-Pin TQFP | 0 | BUY | |
| Analog Devices Inc. | IC, DIGITAL POT 8BIT 200K QUAD, SMD | 12000 | RFQ | |
| Analog Devices Inc. | IC DGT POT 20KOHM 256TAP 24TSSOP | 620 | RFQ | |
| Analog Devices Inc. | Analog Multiplexer Single 8:1 16-Pin TSSOP T/R | 100 | RFQ | |
| Analog Devices Inc. | IC DGTL POT QUAD 20K 24-TSSOP | 10 | BUY | |
| EPSON | CRYSTAL 25.0000MHZ 16PF SMD | 8 | BUY | |
| EPSON | CRYSTAL 25.00 MHZ 16.0PF SMD | 4000 | BUY |


Product
Brand
Articles
Tools
















