Silicon Labs SI535x-20QFN-EVBEVALUATION BOARD FOR SI535X
Description
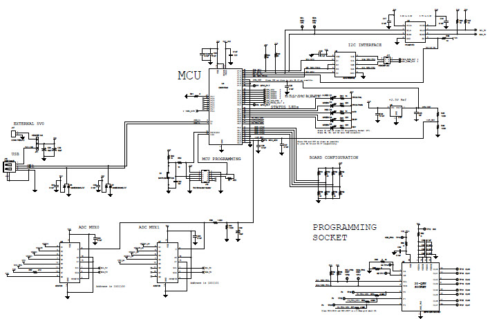
The Silicon Labs SI535x-20QFN-EVB is an evaluation board for the Si5351 any-frequency CMOS clock generator + VCXO, designed for consumer electronics applications. This board is capable of generating frequencies up to 125 MHz, and is designed to be used with the Si5351A, Si5351B, and Si5351C devices. It features a 20-pin QFN package, and includes a USB interface for easy programming and control. The board also includes a voltage-controlled crystal oscillator (VCXO) for improved frequency accuracy and stability. The board is ideal for use in consumer electronics applications such as audio/video equipment, digital signage, and home automation.
Specifications
Silicon Labs technical specifications, attributes, parameters and parts with similar specifications to Silicon Labs .
- TypeParameter
- Package / CaseQFN
- Weight50.008559mg
- Published1997
- Part StatusObsolete
- Moisture Sensitivity Level (MSL)1 (Unlimited)
- TypeTiming
- FunctionClock Generator
- Operating Supply Voltage2.5V
- Utilized IC / PartSi5350, Si5351
- Supplied ContentsBoard(s)
- Evaluation KitYes
- Primary AttributesUSB Powered or External Supply
- EmbeddedYes, MCU, 8-Bit
- Secondary AttributesOn-Board LEDs
- RoHS StatusRoHS Compliant
0 Similar Products Remaining
Technical Documents
Associated Products
| Part Number | Manufacturer | Description | Stock | RFQ |
|---|---|---|---|---|
| Analog Devices Inc. | ANALOG DEVICES - ADG728BRUZ - Analogue Switch, 1 Channels, SPST, 4.5 ohm, 2.7V to 5.5V, TSSOP, 16 Pins | 1000 | RFQ | |
| Analog Devices Inc. | ANALOG DEVICES AD1582BRTZ-REEL7.. Voltage Reference, Precision, Series - Fixed, AD1582 Series, 2.5V, SOT-23-3 | 4000 | RFQ | |
| Silicon Labs | MCU 8-bit C8051F34x 8051 CISC 64KB Flash 3.3V/5V 48-Pin TQFP | 0 | BUY | |
| Texas Instruments | IC REG LIN POS ADJ 100MA SOT23-5 | 0 | RFQ | |
| TXC Corporation | CRYSTAL 27.0000MHZ 10PF SMD | 0 | BUY | |
| Silicon Labs | 0 | RFQ | ||
| Analog Devices Inc. | SWITCH, DUAL SPDT, SMD, MSOP10, 736 | 300 | RFQ | |
| Analog Devices Inc. | Analog Switch Dual SPDT 10-Pin MSOP T/R | 108 | RFQ | |
| Texas Instruments | LDO Regulator Pos 0.7V to 5.5V 0.1A 5-Pin SOT-23 T/R | 250 | BUY | |
| Analog Devices Inc. | ANALOG DEVICES ADG736BRMZ-REEL7Analogue Switch, SPDT, 2 Channels, 4 ohm, 1.8V to 5.5V, MSOP, 10 Pins | 80 | RFQ | |
| Analog Devices Inc. | Analog Multiplexer Single 8:1 16-Pin TSSOP T/R | 100 | RFQ | |
| Texas Instruments | IC REG LIN POS ADJ 100MA SOT23-5 | 42222 | BUY |
Load more


Product
Brand
Articles
Tools











