STMicroelectronics STEVAL-ILL035V1LED Lighting Development Tools LED7708 Multi-CH LED Large LCD STM32F103C
Description
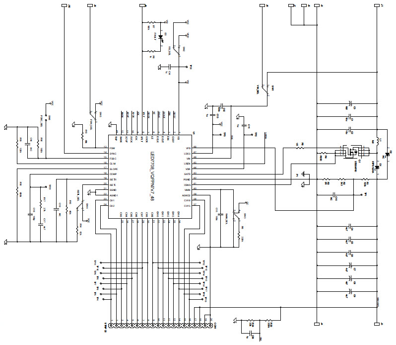
The STMicroelectronics STEVAL-ILL035V1 Demonstration Board is a lighting evaluation board that uses the LED7708 multi-channel LED backlight driver with integrated boost controller. It is designed to provide a complete solution for driving up to 8 LED strings with a single LED7708 device. The board features a wide range of features, including a wide input voltage range, adjustable output current, and a wide range of dimming options. It also includes a graphical user interface for easy configuration and monitoring of the LED backlight driver. The board is ideal for applications such as LCD backlighting, automotive lighting, and general lighting.
Specifications
STMicroelectronics technical specifications, attributes, parameters and parts with similar specifications to STMicroelectronics .
- TypeParameter
- MountPanel
- PackagingBulk
- Part StatusActive
- Moisture Sensitivity Level (MSL)1 (Unlimited)
- Number of Outputs16
- Operating Supply Voltage28V
- Output Current85mA
- TopologyBoost
- Min Input Voltage10V
- Max Input Voltage28V
- Output Current per Channel85mA
- Utilized IC / PartLED7708
- Supplied ContentsBoard(s)
- Evaluation KitYes
- Outputs and Type16, Non-Isolated
- FeaturesDimmable, USB Interface
- REACH SVHCNo SVHC
- Radiation HardeningNo
- RoHS StatusROHS3 Compliant
- Lead FreeLead Free
0 Similar Products Remaining
Technical Documents
Associated Products
| Part Number | Manufacturer | Description | Stock | RFQ |
|---|---|---|---|---|
| STMicroelectronics | STMICROELECTRONICS LED7708 Led Driver, 16 Outputs, Boost (Step Up), 3.6V-36V in, 610kHz switch, VFQFPN-48 | 41 | RFQ | |
| STMicroelectronics | MCU 32-bit STM32 ARM Cortex M3 RISC 32KB Flash 2.5V/3.3V 48-Pin LQFP Tray | 10250 | RFQ | |
| STMicroelectronics | IC REG LINEAR 3.3V 150MA SOT23-5 | 12000 | BUY | |
| STMicroelectronics | IC LED DRIVER CTRLR DIM 48VFQFPN | 2500 | BUY | |
| STMicroelectronics | ARM Microcontrollers - MCU 32BIT Cortex M3 M/D 32 to 128 USB/CAN | 7 | RFQ | |
| STMicroelectronics | EMI Filter Noise Suppression 30MHz to 1000MHz Gull Wing SMD Automotive T/R | 12000 | RFQ |


Product
Brand
Articles
Tools














