STMicroelectronics STEVAL-IME009V1Power Management IC Development Tools STHV800 Evaluation board
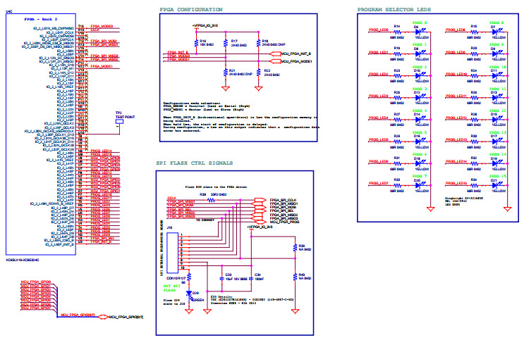
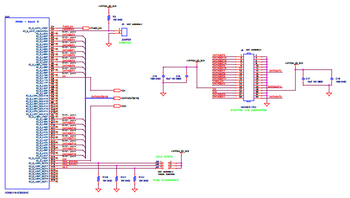
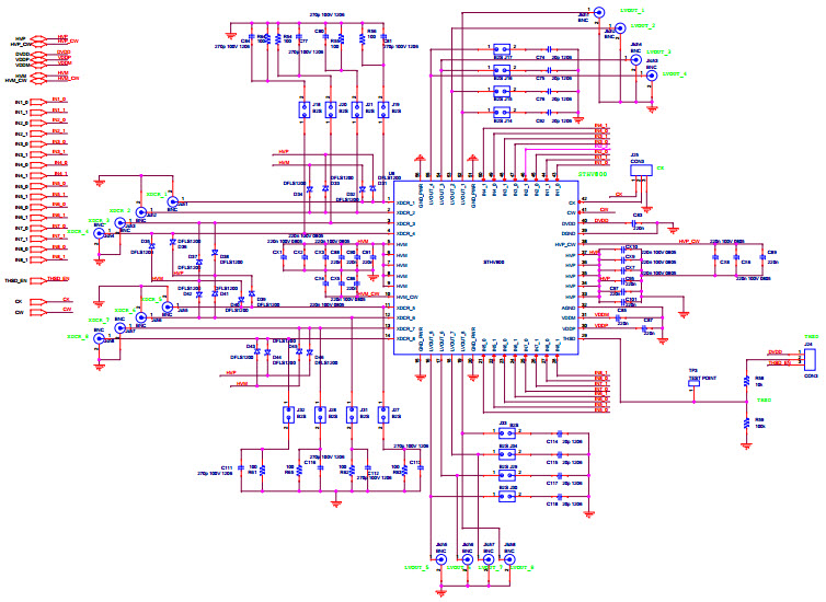
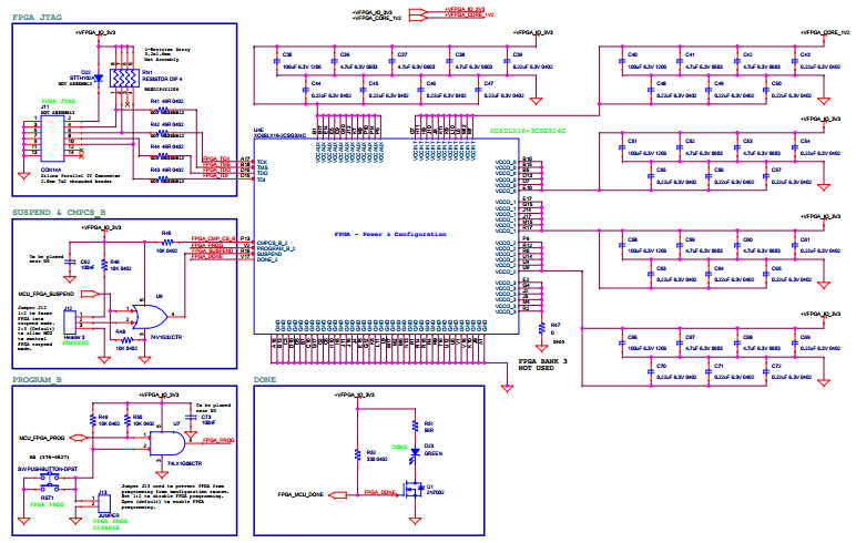
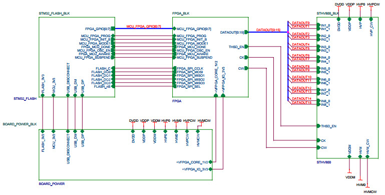
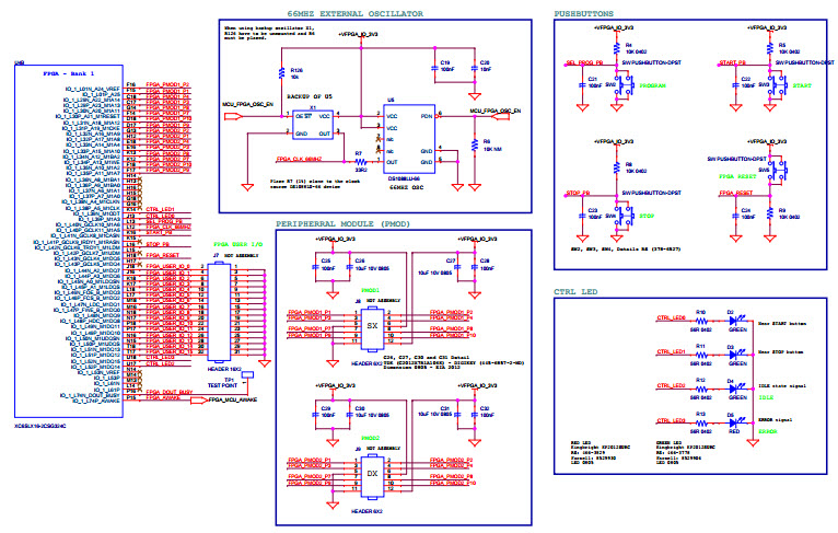
The STMicroelectronics STEVAL-IME009V1 is an evaluation board based on the STHV800 Ultrasound Pulser IC, designed for medical and healthcare applications. It is a complete system for the development and evaluation of ultrasound imaging systems, providing a wide range of features and functions. The board includes a high-voltage pulser, a low-voltage pulser, a power supply, a signal generator, and a signal processor. It also includes a range of connectors and interfaces for connecting to external devices. The board is designed to be used with a range of ultrasound transducers, allowing for the development of a variety of medical imaging systems. The board is also compatible with a range of software packages, allowing for the development of custom imaging solutions.
- TypeParameter
- Part StatusActive
- Moisture Sensitivity Level (MSL)1 (Unlimited)
- TypeTiming
- FunctionPulse Generator
- Output Voltage90V
- Output Current2A
- Utilized IC / PartSTHV800
- Supplied ContentsBoard(s)
- Evaluation KitYes
- Primary Attributes8-Channel (Octal)
- EmbeddedYes, Other
- Secondary AttributesOn-Board LEDs
- RoHS StatusROHS3 Compliant


Product
Brand
Articles
Tools
























