STMicroelectronics STEVAL-STRKT01STEVAL-STRKT01 LORA IOT TRACKER
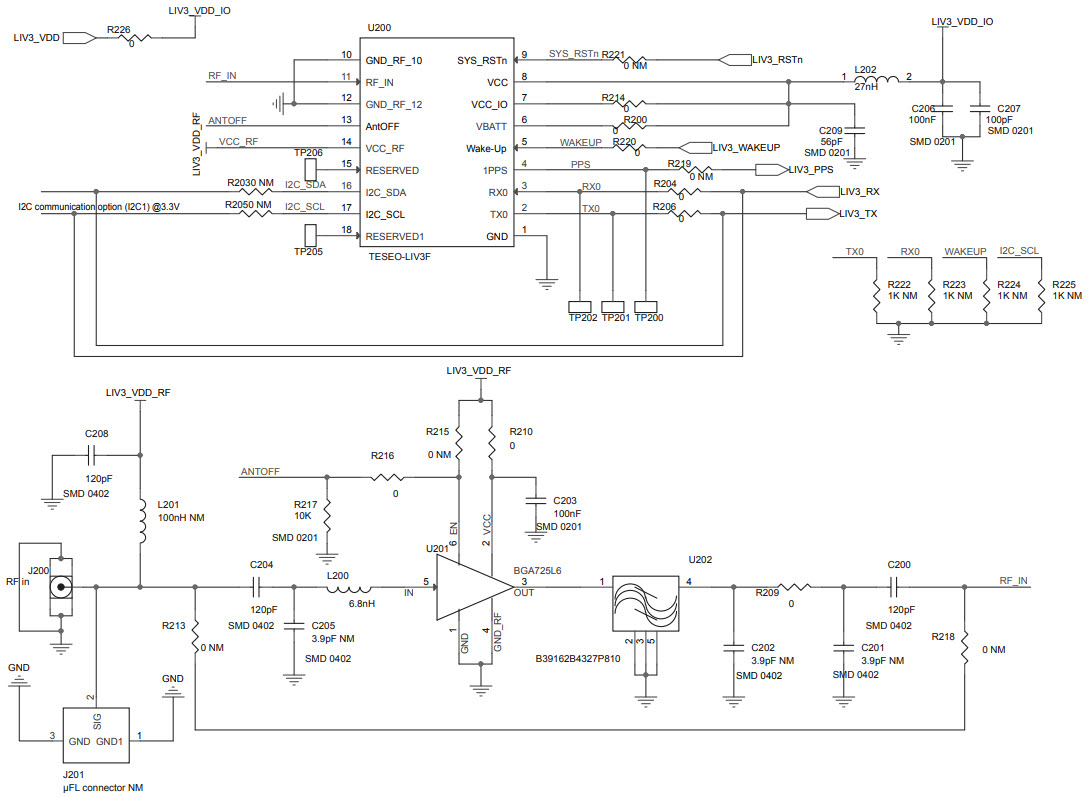
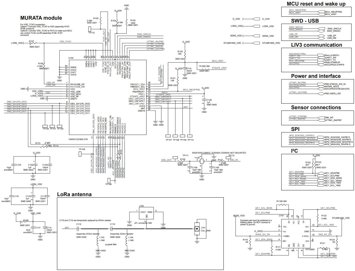
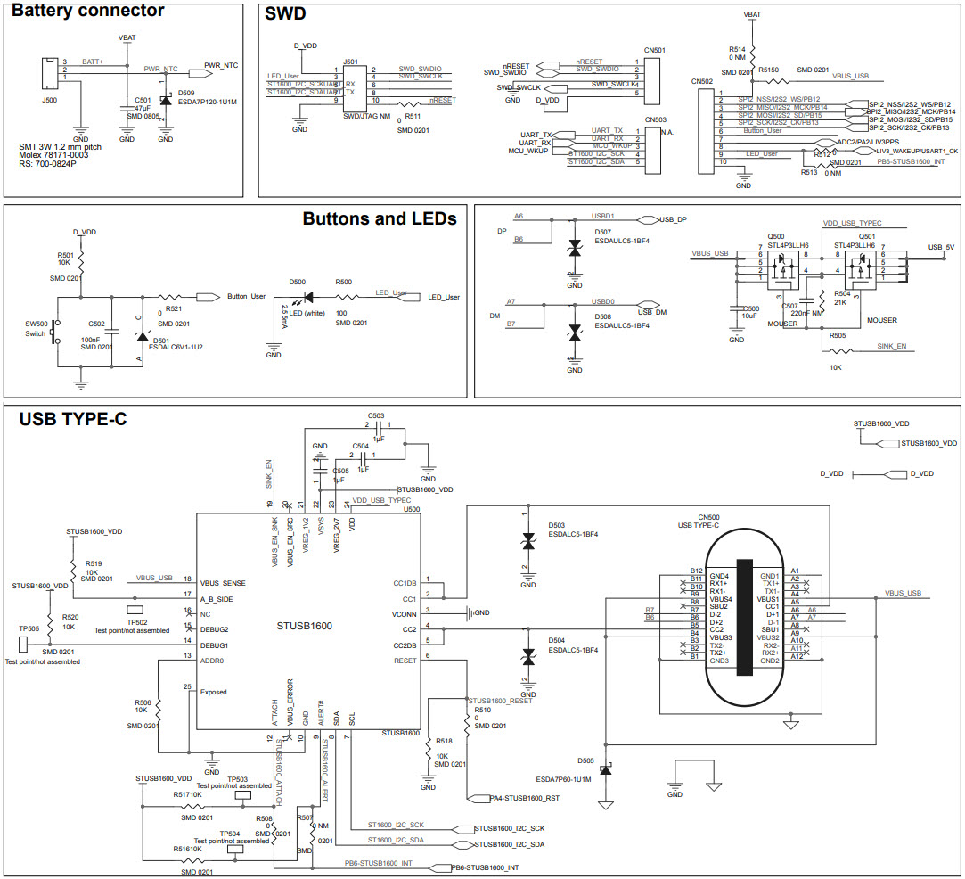
The STMicroelectronics STEVAL-STRKT01 LoRa IoT Tracker Evaluation Kit is a comprehensive communications and telecoms solution for the development of LoRa-based IoT applications. It includes a LoRaWAN-compliant gateway, a LoRaWAN-compliant node, and a LoRaWAN-compliant tracker. The gateway is based on the STM32L4+ microcontroller and the SX1276 transceiver, and provides a secure connection to the LoRaWAN network. The node is based on the STM32L4+ microcontroller and the SX1276 transceiver, and provides a secure connection to the LoRaWAN network. The tracker is based on the STM32L4+ microcontroller and the SX1276 transceiver, and provides a secure connection to the LoRaWAN network. The kit also includes a range of accessories, such as antennas, cables, and a USB-C power supply. The STEVAL-STRKT01 LoRa IoT Tracker Evaluation Kit is an ideal solution for developers looking to quickly and easily develop LoRa-based IoT applications.
- TypeParameter
- Part StatusActive
- Moisture Sensitivity Level (MSL)1 (Unlimited)
- TypeTransceiver; LoRa® (LoRaWAN™)
- Supplied ContentsBoard(s)
| Part Number | Manufacturer | Description | Stock | RFQ |
|---|---|---|---|---|
| STMicroelectronics | GNSS MODULE | 2000 | RFQ | |
| STMicroelectronics | IC EEPROM 2M SPI 5MHZ 8SO | 2500 | RFQ | |
| STMicroelectronics | MEMS NANO PRESSURE SENSOR: 260-1 | 20160 | RFQ | |
| STMicroelectronics | Analog Switch ICs Lo Vltg Hi bandwidth quad SPDT switch | 1250 | RFQ | |
| STMicroelectronics | ACCEL 2-16G I2C/SPI 12LGA | 110880 | RFQ | |
| STMicroelectronics | GENERAL PURPOSE ANALOG & RF | 5640 | RFQ | |
| STMicroelectronics | 400MA NANO-QUIESCENT SYNCHRONOUS | 92 | RFQ |


Product
Brand
Articles
Tools





























