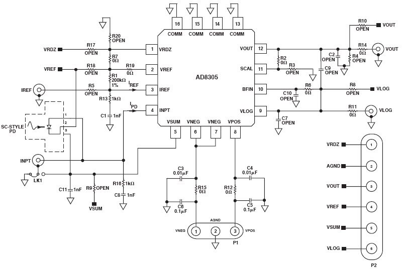
Analog Devices AD8305-EVALZcurrent, IREF, of 10 µA, provided by a 200 kO resistor connected between VREF, at 2.5 V, and the reference input, IREF, at 0.5 V. The intercept can be
The board is designed to evaluate the performance of the AD8305 in a variety of applications such as LED lighting, power management, and motor control. The board includes a power supply, a voltage regulator, a current sense amplifier, and a temperature sensor. The board also includes a USB interface for programming and monitoring the device. The board is designed to be used with the AD8305 Evaluation Software, which provides a graphical user interface for configuring and monitoring the device. The board also includes a set of test points for measuring the performance of the device. The board is designed to be used with the AD8305 Evaluation Software, which provides a graphical user interface for configuring and monitoring the device. The board also includes a set of test points for measuring the performance of the device.


Product
Brand
Articles
Tools



