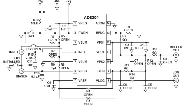
Analog Devices Inc. AD8304-EVALZANALOG DEVICES AD8304-EVALZ AD8304 Monolithic Logarithmic Detector Evaluation Board Optimized for Fibre Optic Interfacing
The board is designed to evaluate the performance of the AD8304 in a variety of applications such as LED lighting, power management, and motor control. The board includes a power supply, a voltage regulator, a current sense amplifier, and a voltage reference. The board also includes a USB interface for programming and monitoring the device. The board is designed to be used with the AD8304 Evaluation Software, which provides a graphical user interface for configuring and monitoring the device. The board also includes a variety of test points for measuring the performance of the device. The board is designed to be used with the AD8304 Evaluation Software, which provides a graphical user interface for configuring and monitoring the device. The board also includes a variety of test points for measuring the performance of the device.
- TypeParameter
- Lifecycle StatusPRODUCTION (Last Updated: 1 month ago)
- Factory Lead Time8 Weeks
- MountPCB
- Package / CaseTSSOP
- Number of Pins0
- Part StatusActive
- Moisture Sensitivity Level (MSL)1 (Unlimited)
- Base Part NumberAD8304
- Output TypeSingle-Ended
- Max Supply Voltage5.5V
- Min Supply Voltage3V
- Operating Supply Current4.5mA
- Nominal Supply Current4.5mA
- Slew Rate15V/μs
- Amplifier TypeLogarithmic
- Voltage - Supply, Single/Dual (±)3V~5.5V
- Utilized IC / PartAD8304
- Supplied ContentsBoard(s)
- -3db Bandwidth10MHz
- Board TypeFully Populated
- Channels per IC1 - Single
- Current - Supply (Main IC)4.5mA
- REACH SVHCNo SVHC
- RoHS StatusROHS3 Compliant
- Lead FreeContains Lead
| Part Number | Manufacturer | Description | Stock | RFQ |
|---|---|---|---|---|
| Analog Devices Inc. | ANALOG DEVICES AD8062ARZOperational Amplifier, Dual, 300 MHz, 2 Amplifier, 650 V/s, 2.7V to 8V, SOIC, 8 Pins | 171 | RFQ |


Product
Brand
Articles
Tools






