AnalogDevices ADV3221-EVALZ
Description
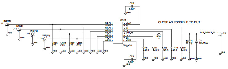
The Analog Devices ADV3221-EVALZ Evaluation Board is designed to evaluate the performance of the ADV3221 800 MHz, 4:1 Analog Multiplexer, Video and Imaging Switch. This evaluation board features a wide range of features, including a high-speed, low-power, low-noise, and low-distortion analog multiplexer. It also includes a wide range of video and imaging switch functions, such as video switching, image scaling, and image processing. The board also includes a variety of test points and connectors for easy evaluation and testing. The ADV3221-EVALZ Evaluation Board is an ideal solution for evaluating the performance of the ADV3221 800 MHz, 4:1 Analog Multiplexer, Video and Imaging Switch.
Specifications
AnalogDevices technical specifications, attributes, parameters and parts with similar specifications to AnalogDevices .
- TypeParameter
- Lifecycle StatusProduction (Last Updated: 1 month ago)
- Number of Pins0
- Manufacturer Lifecycle StatusPRODUCTION (Last Updated: 1 month ago)
- RoHSCompliant
- Max Operating Temperature85 °C
- Min Operating Temperature-40 °C
- InterfaceParallel
- Bandwidth800 MHz
- Evaluation KitYes
- -3db Bandwidth800 MHz
- Lead FreeContains Lead
0 Similar Products Remaining
Associated Products
| Part Number | Manufacturer | Description | Stock | RFQ |
|---|---|---|---|---|
| Analog Devices Inc. | IC REG BOOST 1V 16LFCSP | 1199 | RFQ |


Product
Brand
Articles
Tools














