Analog Devices EVAL-ADMP401Z-FLEXEval Board ADMP1062 Flex
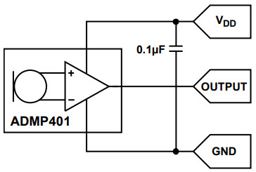
The EVAL-ADMP401Z-FLEX Evaluation Board from Analog Devices is a bottom-ported analog output MEMS microphone evaluation board based on the ADMP401 microphone. It is designed for consumer electronics audio applications and provides a complete evaluation platform for the ADMP401 microphone. The board features a low-noise, low-distortion, and high-sensitivity microphone, as well as a low-noise preamplifier and a low-noise output amplifier. It also includes a low-noise power supply and a low-noise analog-to-digital converter. The board is designed to be used with a variety of audio applications, including voice recognition, speech recognition, and audio recording. The board is also compatible with a variety of development tools, including the Analog Devices VisualDSP++ and the Analog Devices SigmaStudio.


Product
Brand
Articles
Tools






