Analog Devices EVAL-ADV7610EBZLow Power, 165 MHz HDMI Receiver
Description
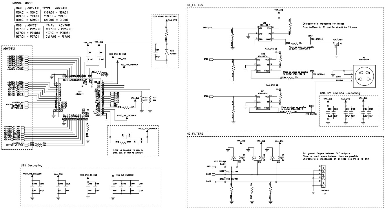
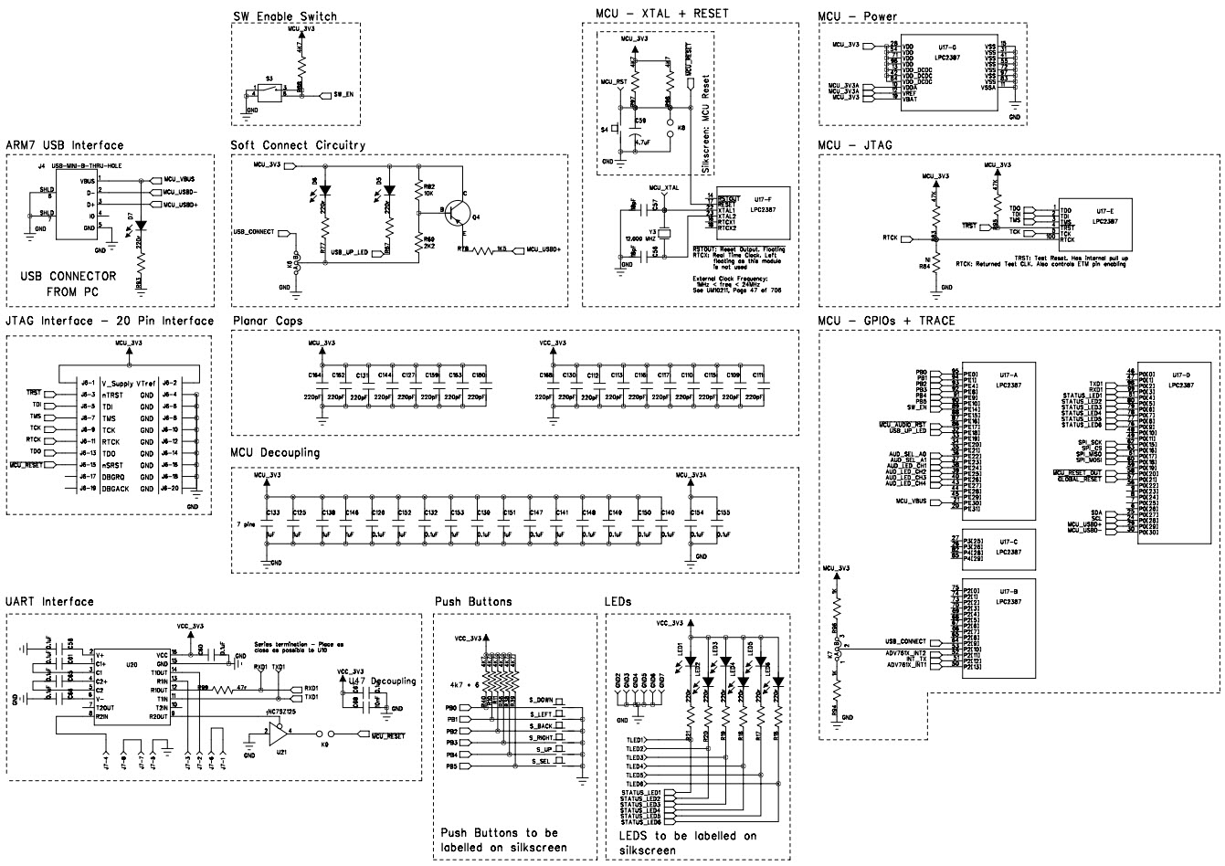
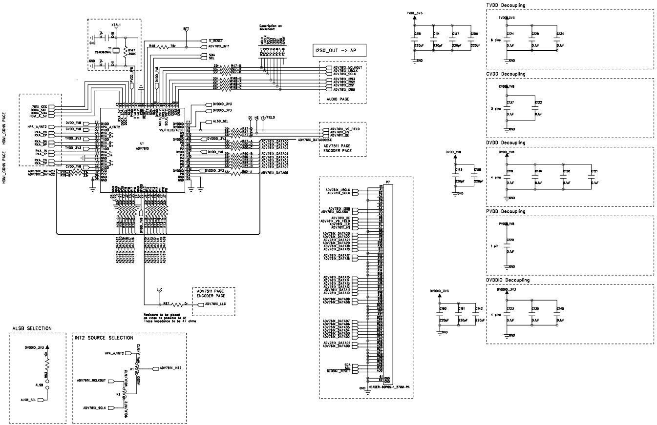
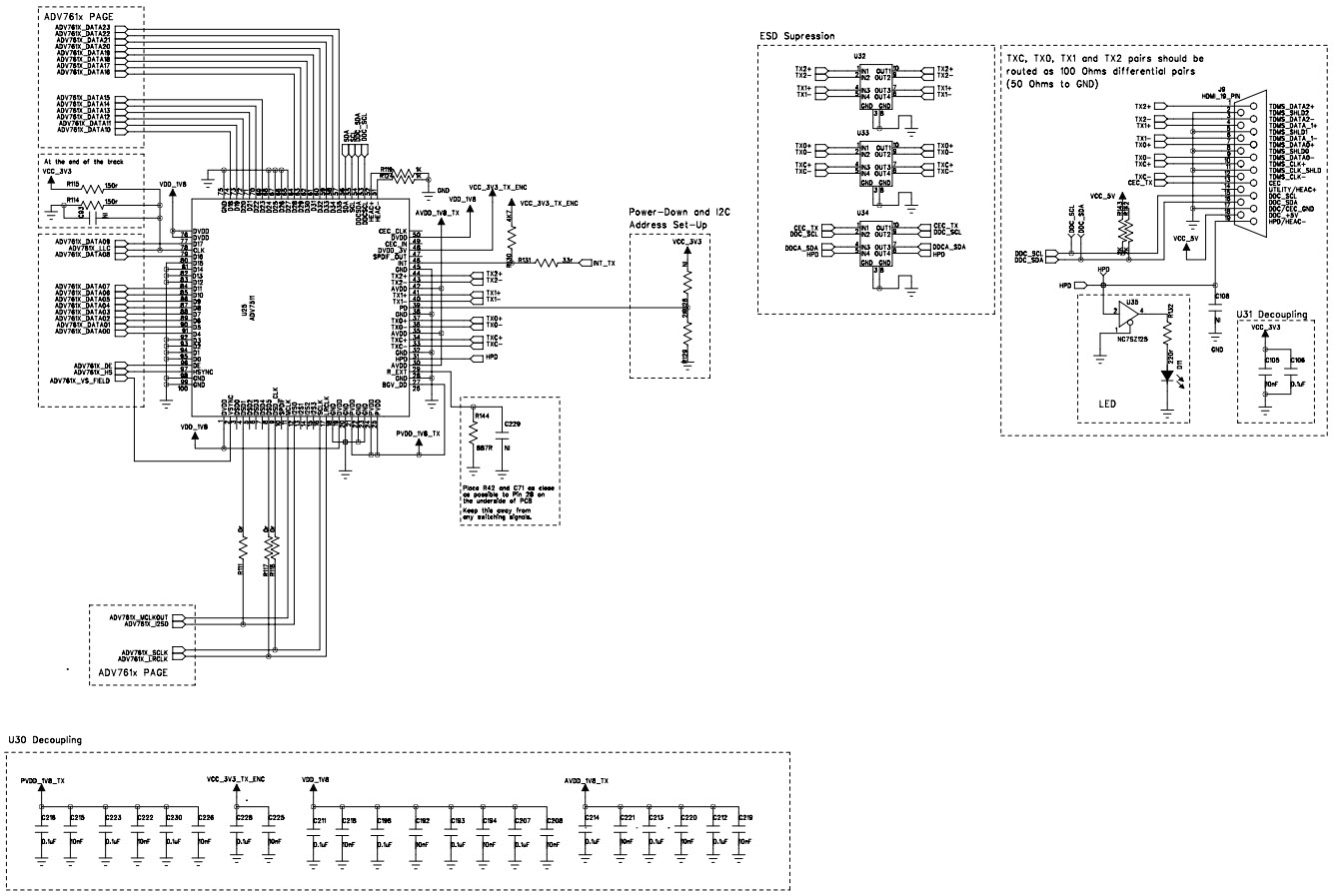
The Analog Devices EVAL-ADV7610EBZ is an evaluation board designed to evaluate the functionality and features of the Advantiv ADV7610 HDMI Receiver Video and Imaging ICs. It is a complete evaluation platform that allows users to quickly and easily evaluate the performance of the ADV7610. The board includes a variety of features such as HDMI input and output ports, audio input and output ports, and a USB port for programming and debugging. It also includes a variety of test points and connectors for easy evaluation of the ADV7610's features. The board also includes a variety of software tools and documentation to help users get the most out of their evaluation.
Specifications
Analog Devices technical specifications, attributes, parameters and parts with similar specifications to Analog Devices .
- TypeParameter
- Lifecycle StatusProduction (Last Updated: 3 weeks ago)
- Number of Pins0
- RoHSYes
- Mountingcable
- Manufacturer Lifecycle StatusPRODUCTION (Last Updated: 3 weeks ago)
- SeriesWINSTA MINI special
- Noten/a
- Widthn/a
- Lead FreeContains Lead
0 Similar Products Remaining
Associated Products
| Part Number | Manufacturer | Description | Stock | RFQ |
|---|---|---|---|---|
| Analog Devices Inc. | IC SUPERVISOR 1 CHANNEL SOT23-3 | 68350 | BUY | |
| Analog Devices Inc. | IC OPAMP GP 2 CIRCUIT 8TSSOP | 10 | RFQ | |
| Analog Devices, Inc. | HDMI Transmitter 1TX 100-Pin LQFP Tray | 90 | RFQ | |
| Microchip Technology | MICROCHIP - 24LCS22A-I/SN - SERIAL EEPROM, 2KBIT, 400KHZ, SOIC-8 | 30 | RFQ | |
| Analog Devices, Inc. | 763 | RFQ | ||
| ON Semiconductor | IC GATE AND 1CH 2-INP SC70-5 | 2237 | RFQ | |
| Analog Devices Inc. | IC VREF SHUNT 1.225V SOT23 | 93 | RFQ | |
| Analog Devices Inc. | IC CODEC 24BIT 4ADC/8DAC 48LQFP | 8 | RFQ | |
| Analog Devices Inc. | Audio Codec 4ADC / 8DAC 24bit Automotive 48-Pin LQFP T/R | 15 | BUY | |
| Analog Devices Inc. | IC SUPERVISOR MPU 4.63V SC-70-3 | 724 | BUY |


Product
Brand
Articles
Tools



























