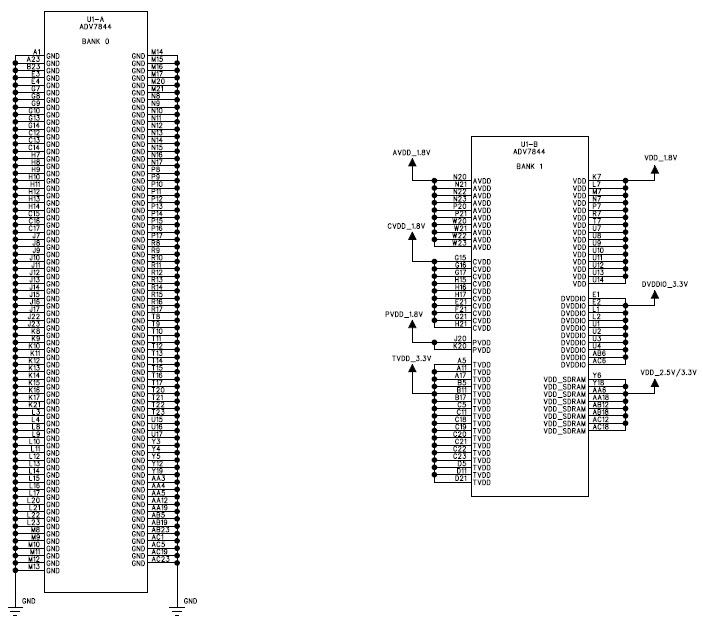
Analog Devices EVAL-ADV7844EB1ZADV7844 is provided in a 19 mm × 19 mm, 425-ball, CSP BGA, surface-mount, RoHS-compliant package, and is specified over the 0°C to 70°C temperature range
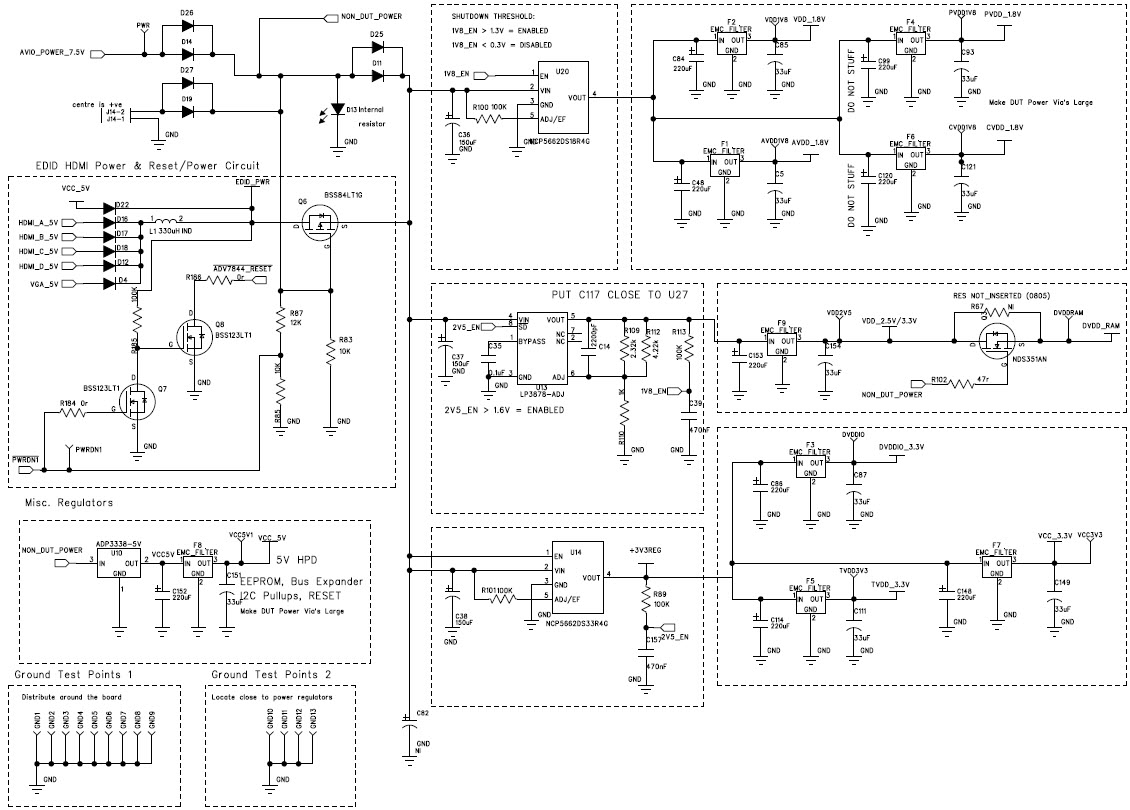
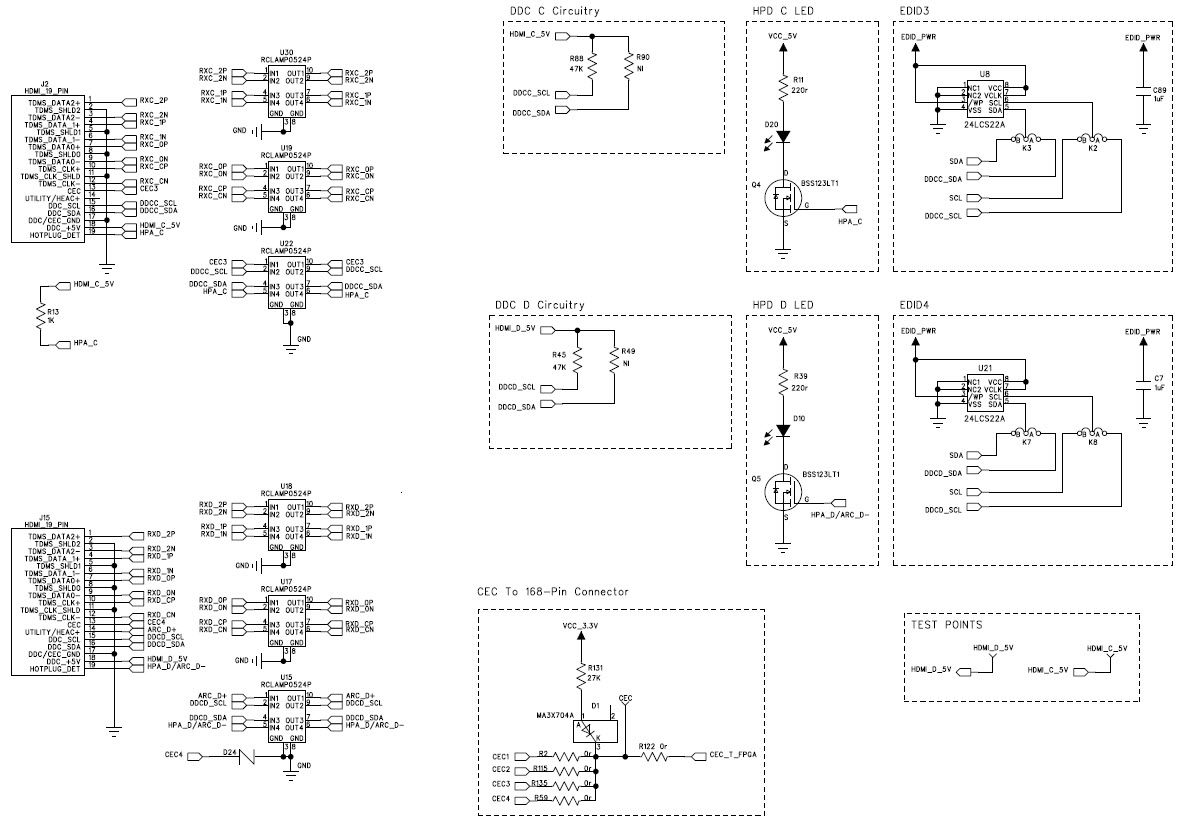
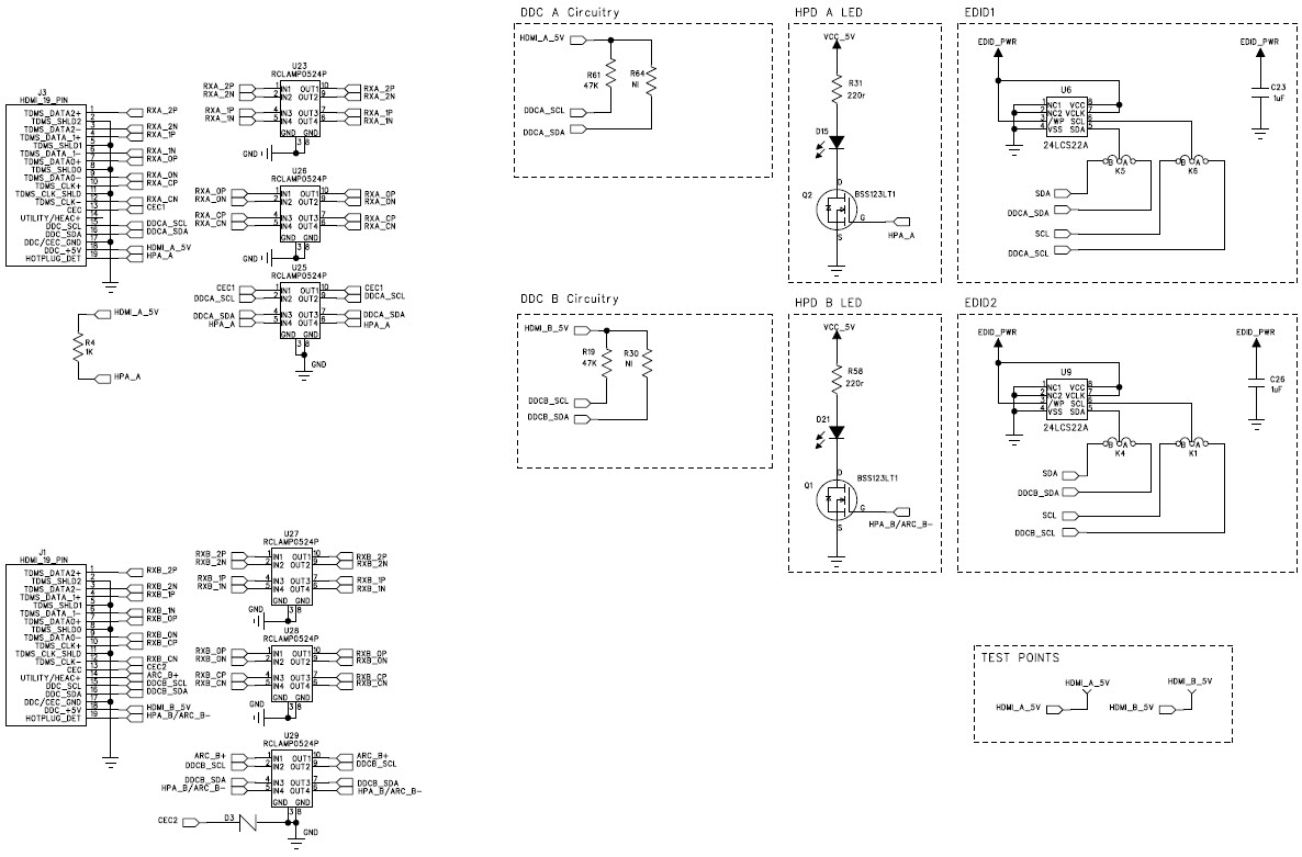
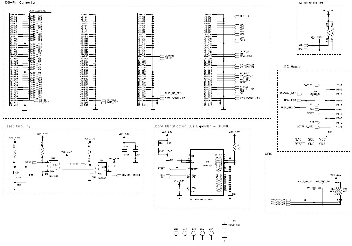
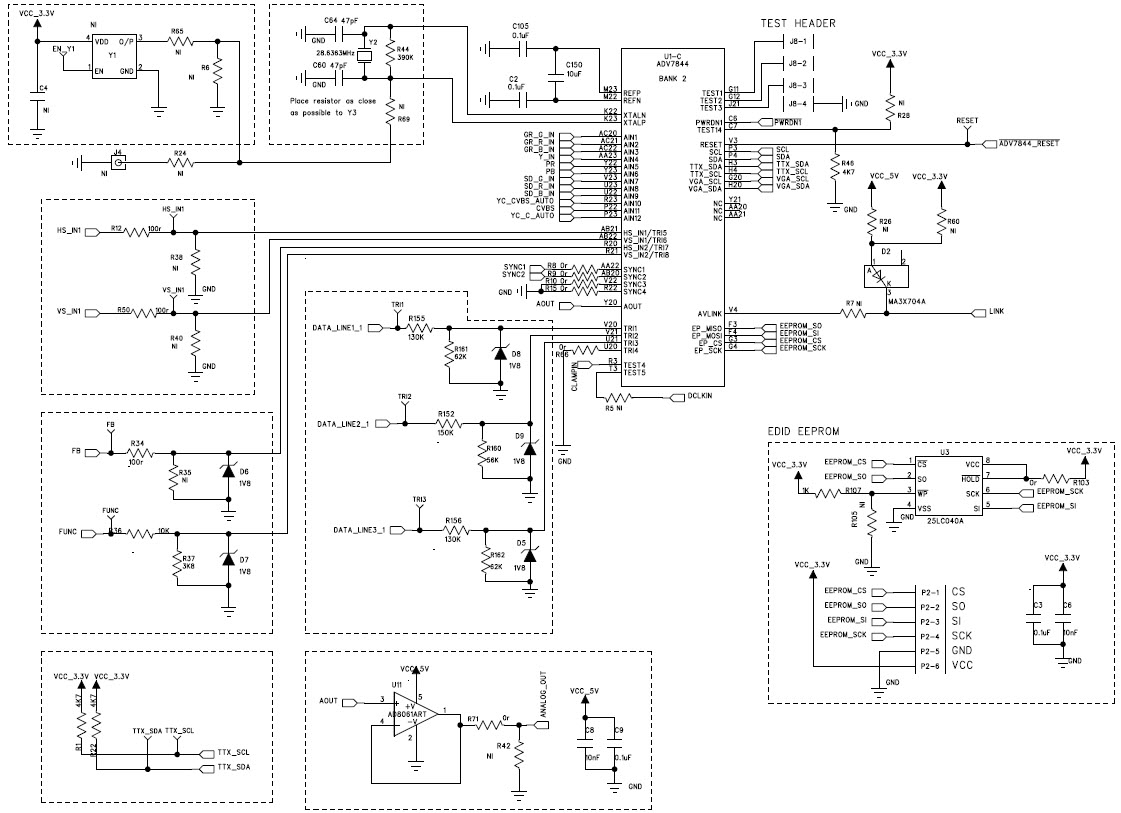
Control (CEC) and High-bandwidth Digital Content Protection (HDCP) is an evaluation board for the ADV7844 high quality, single-chip, quad HDMI 1.4 fast switching receiver. It is designed to provide a complete solution for the evaluation of the ADV7844 device. The board includes a HDMI 1.4a compliant transmitter, a HDMI 1.4a compliant receiver, a Consumer Electronics Control (CEC) and High-bandwidth Digital Content Protection (HDCP) engine. The board also includes a USB interface for programming and debugging. The board is designed to provide a complete solution for the evaluation of the ADV7844 device. It includes a HDMI 1.4a compliant transmitter, a HDMI 1.4a compliant receiver, a Consumer Electronics Control (CEC) and High-bandwidth Digital Content Protection (HDCP) engine. The board also includes a USB interface for programming and debugging. The board is designed to provide a complete solution for the evaluation of the ADV7844 device. It is designed to provide a complete solution for the evaluation of the ADV7844 device, including HDMI 1.4a compliant transmitter, HDMI 1.4a compliant receiver, Consumer Electronics Control (CEC) and High-bandwidth Digital Content Protection (HDCP) engine, and USB interface for programming and debugging. The board is designed to provide a complete solution for the evaluation of the ADV7844 device, allowing users to quickly and easily evaluate the performance of the device.


Product
Brand
Articles
Tools























