Analog Devices Inc. AD8339-EVALZANALOG DEVICES AD8339-EVALZ I/Q DEMODULATOR, EVALUATION BOARD
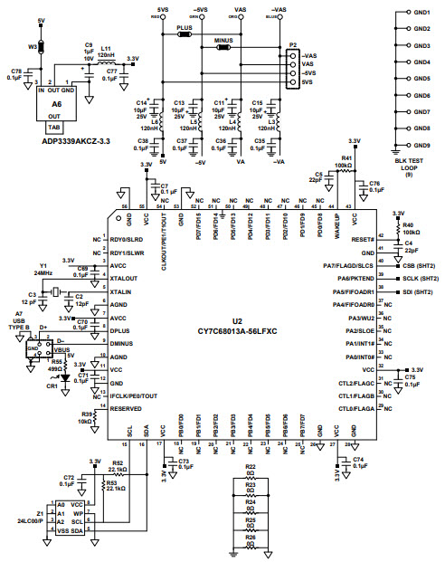
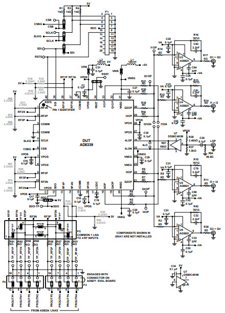
The Analog Devices AD8339-EVALZ Evaluation Board is a versatile platform for evaluating the performance of the AD8339 50-MHz I/Q Demodulator Communications and Telecom IC. This evaluation board is designed to provide a comprehensive evaluation of the AD8339 IC, allowing users to quickly and easily evaluate the performance of the device in a variety of applications. The board features a wide range of features, including a wide range of input and output connectors, a wide range of gain and frequency settings, and a wide range of test points for monitoring and debugging. The board also includes a USB interface for easy connection to a PC, allowing users to quickly and easily configure the device and monitor its performance. The AD8339-EVALZ Evaluation Board is an ideal platform for evaluating the performance of the AD8339 IC in a variety of applications.
- TypeParameter
- Lifecycle StatusPRODUCTION (Last Updated: 4 weeks ago)
- Factory Lead Time8 Weeks
- Number of Pins0
- Part StatusActive
- Moisture Sensitivity Level (MSL)1 (Unlimited)
- TypeDemodulator / Phase Shifter
- Frequency50MHz
- Base Part NumberAD8339
- Operating Supply Voltage5V
- InterfaceUSB
- Operating Supply Current35mA
- Nominal Supply Current35mA
- Supplied ContentsBoard(s)
- Evaluation KitYes
- REACH SVHCNo SVHC
- RoHS StatusROHS3 Compliant
- Lead FreeContains Lead
| Part Number | Manufacturer | Description | Stock | RFQ |
|---|---|---|---|---|
| Analog Devices Inc. | ANALOG DEVICES - AD8021ARZ - Operational Amplifier, Single, 1 Amplifier, 200 MHz, 120 V/µs, ± 2.25V to ± 12V, SOIC, 8 Pins | 15 | RFQ | |
| Analog Devices Inc. | IC OPAMP VFB 560MHZ 8SOIC | 249 | RFQ | |
| Analog Devices Inc. | ANALOG DEVICES AD8021ARMZOperational Amplifier, Single, 200 MHz, 1 Amplifier, 120 V/s,2.25V to12V, MSOP, 8 Pins | 4 | RFQ | |
| Analog Devices Inc. | High Speed Operational Amplifiers LOW-NOISE 16-Bit | 30 | RFQ | |
| Analog Devices Inc. | OP Amp Single Volt Fdbk ±12V/24V 8-Pin MSOP T/R | 675 | RFQ | |
| Analog Devices Inc. | IC VGA QUAD W/PREAMP 64LFCSP | 1606 | RFQ | |
| Analog Devices Inc. | SP Amp Variable Gain Amp Quad 5.5V 64-Pin LFCSP EP T/R | 3000 | BUY | |
| Analog Devices Inc. | OP Amp Single Volt Fdbk ±12V/24V 8-Pin SOIC N T/R | 0 | RFQ | |
| Analog Devices Inc. | IC VGA QUAD W/PREAMP 64-LFCSP | 10 | RFQ |


Product
Brand
Articles
Tools
















