Analog Devices Inc. EVAL-8MSOPEBZEVAL BOARD FOR 8MSOP SWITCH/MUX
Description
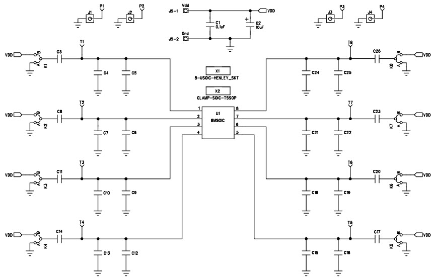
The Analog Devices EVAL-8MSOPEBZ Evaluation Board is designed to evaluate 8-lead MSOP devices in the Switch/Mux portfolio. It is a military and aerospace grade board that provides a reliable platform for testing and evaluating the performance of these devices. The board features a wide range of test points and connectors, allowing for easy connection to external test equipment. It also includes a variety of power supply options, allowing for testing of the devices under different conditions. The board is designed to be used in a variety of applications, including automotive, industrial, and medical. It is also designed to meet the stringent requirements of military and aerospace applications.
Specifications
Analog Devices Inc. technical specifications, attributes, parameters and parts with similar specifications to Analog Devices Inc. .
- TypeParameter
- Factory Lead Time8 Weeks
- Lifecycle StatusPRODUCTION (Last Updated: 2 weeks ago)
- MountPCB
- Number of Pins0
- Part StatusActive
- Moisture Sensitivity Level (MSL)1 (Unlimited)
- TypeInterface
- Utilized IC / Part8-MSOP
- Supplied ContentsPartially Populated Board(s) - Main IC Not Included
- RoHS StatusROHS3 Compliant
- Lead FreeContains Lead
0 Similar Products Remaining
Technical Documents
Associated Products
| Part Number | Manufacturer | Description | Stock | RFQ |
|---|---|---|---|---|
| Analog Devices Inc. | IC SWITCH SPST SOT23-6 | 30000 | BUY | |
| Analog Devices Inc. | Analog Switch Single SPDT Automotive 6-Pin SOT-23 T/R | 28513 | RFQ | |
| Analog Devices Inc. | ANALOG DEVICES ADG701BRMZ Analogue Switch, SPST, 1 Channels, 3 ohm, 1.8V to 5.5V, MSOP, 8 Pins | 10 | BUY | |
| Analog Devices Inc. | ANALOG DEVICES ADG701LBRTZ-REEL7Analogue Switch, SPST, 1 Channels, 3 ohm, 1.8V to 5.5V, SOT-23, 6 Pins | 3000 | BUY | |
| Analog Devices Inc. | Analog Switch Single SPST 8-Pin MSOP T/R | 2500 | BUY | |
| AnalogDevices | IC 1-CHANNEL, SGL POLE SGL THROW SWITCH, PDSO8, MO-187AA, MSOP-8, Multiplexer or Switch | 0 | RFQ | |
| Analog Devices Inc. | ANALOG DEVICES ADG419BNZAnalogue Switch, SPDT, 1 Channels, 35 ohm, 13.5V to 16.5V, DIP, 8 Pins | 174 | RFQ | |
| Analog Devices Inc. | Analog Switch Single SPDT Automotive 6-Pin SOT-23 T/R | 500 | RFQ | |
| Analog Devices Inc. | ANALOG DEVICES - ADG721BRMZ - Analogue Switch, Dual Channel, 2 Channels, SPST, 4 ohm, 1.8V to 5.5V, MSOP, 8 Pins | 10000 | RFQ | |
| Analog Devices Inc. | Analog Switch Single SPST 6-Pin SOT-23 T/R | 0 | RFQ | |
| Analog Devices Inc. | ANALOG DEVICES ADG601BRMZAnalogue Switch, SPST, 1 Channels, 2.5 ohm,2.7V to5.5V, MSOP, 8 Pins | 597 | BUY |
Load more


Product
Brand
Articles
Tools










