Analog Devices Inc. EVAL-AD7173-8SDZEvaluation Board For AD7173-8 Series Single ADC Delta-Sigma
Description
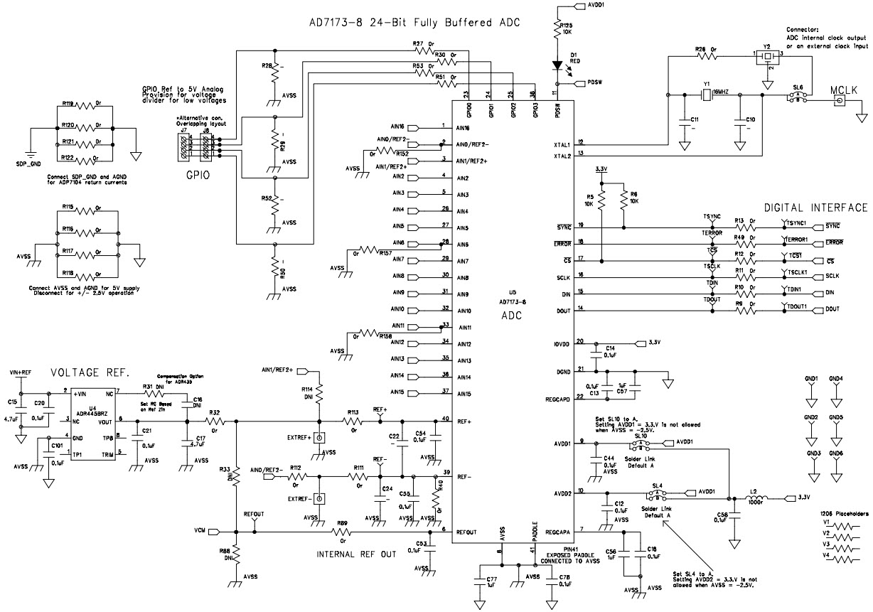
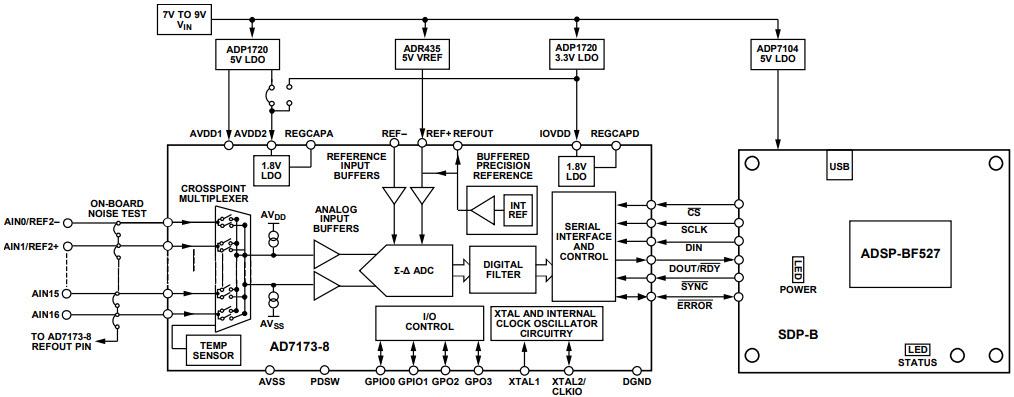
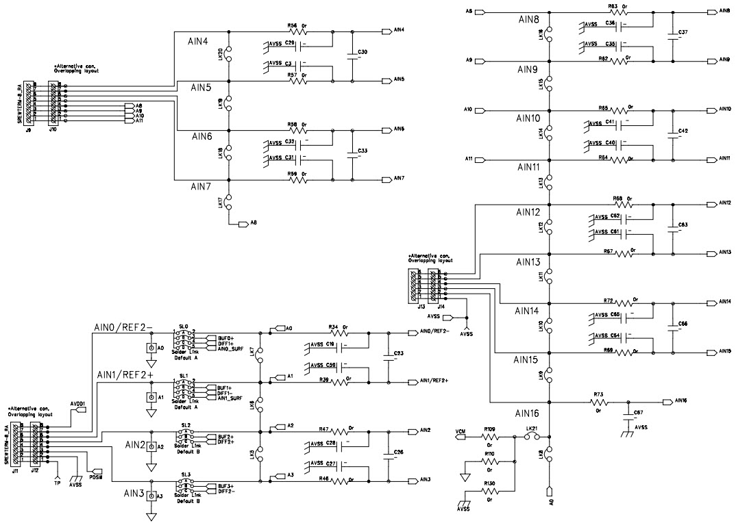
The Analog Devices EVAL-AD7173-8SDZ Evaluation Board is designed to evaluate the performance of the AD7173-8, a 24-bit, 31.25 kSPS, sigma-delta ADC with integrated analog input buffers. This board is designed for military and aerospace grade applications, and features a wide range of features and functions to ensure reliable operation in harsh environments. The board includes a wide range of features such as a low-noise power supply, a wide range of input and output connectors, and a variety of test points for easy debugging. The board also includes a comprehensive set of software tools to help users quickly and easily evaluate the performance of the AD7173-8.
Specifications
Analog Devices Inc. technical specifications, attributes, parameters and parts with similar specifications to Analog Devices Inc. .
- TypeParameter
- Lifecycle StatusPRODUCTION (Last Updated: 3 weeks ago)
- Factory Lead Time8 Weeks
- MountPCB
- Number of Pins0
- PackagingBox
- Part StatusActive
- Moisture Sensitivity Level (MSL)1 (Unlimited)
- Max Operating Temperature105°C
- Min Operating Temperature-40°C
- Base Part NumberAD7173
- Operating Supply Voltage5V
- InterfaceSPI, Serial
- Number of Bits24
- Utilized IC / PartAD7173-8
- Supplied ContentsBoard(s), Power Supply
- Data InterfaceDSP, MICROWIRE™, QSPI™, Serial, SPI™
- Sampling Rate31.25 ksps
- Evaluation KitYes
- Sampling Rate (Per Second)31.25k
- Number of A/D Converters1
- Input Range±VREF
- RoHS StatusROHS3 Compliant
- Lead FreeContains Lead
0 Similar Products Remaining
Technical Documents
Associated Products
| Part Number | Manufacturer | Description | Stock | RFQ |
|---|---|---|---|---|
| Analog Devices | MCU 8-bit 8052 CISC 8KB Flash 3.3V/5V 52-Pin MQFP Tray | 0 | RFQ | |
| Analog Devices Inc. | MCU 8-bit ADuC8xx 8052 CISC 8KB Flash 3.3V/5V 52-Pin MQFP Tray | 2000 | RFQ | |
| Analog Devices | MCU 8-bit 8052 CISC 8KB Flash 3.3V/5V 56-Pin LFCSP EP T/R | 0 | RFQ |


Product
Brand
Articles
Tools























