Analog Devices Inc. EVAL-ADAU1372ZEVAL BOARD FOR ADAU1372
Description
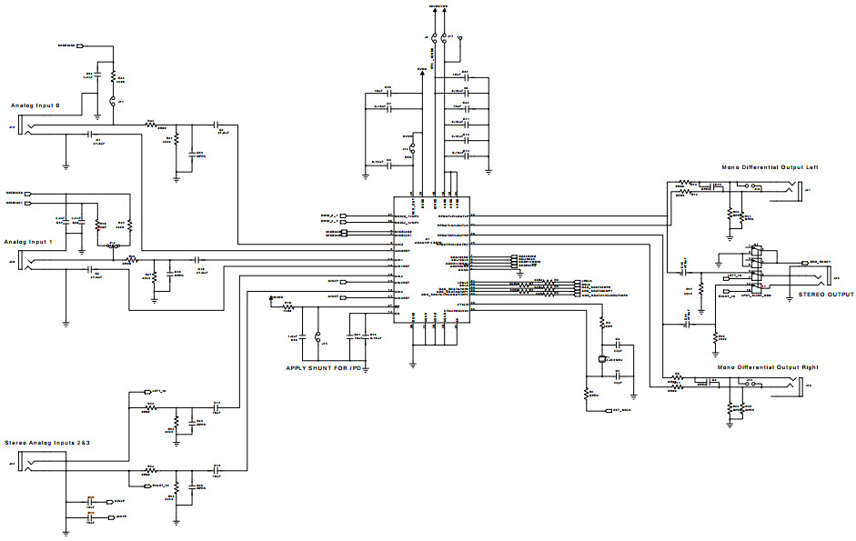
The Analog Devices EVAL-ADAU1372Z Evaluation Board is a powerful tool for evaluating the ADAU1372 Quad ADC, Dual DAC, Low Latency, Low Power Codec, Consumer Electronics Audio Processor. This board features a wide range of features, including a high-performance audio processor, a low-latency audio codec, and a low-power design. It also includes a variety of analog and digital I/O, as well as a variety of power supply options. The board is designed to provide a comprehensive evaluation platform for the ADAU1372, allowing users to quickly and easily evaluate the performance of the device. The board also includes a variety of software tools and documentation to help users get the most out of their evaluation.
Specifications
Analog Devices Inc. technical specifications, attributes, parameters and parts with similar specifications to Analog Devices Inc. .
- TypeParameter
- Lifecycle StatusPRODUCTION (Last Updated: 3 weeks ago)
- Factory Lead Time8 Weeks
- MountPCB
- Number of Pins0
- Part StatusActive
- Moisture Sensitivity Level (MSL)1 (Unlimited)
- TypeAudio
- Base Part NumberADAU1372
- FunctionCODEC
- Utilized IC / PartADAU1372
- Supplied ContentsBoard(s), Cable(s)
- Evaluation KitYes
- Secondary AttributesGraphical User Interface
- RoHS StatusROHS3 Compliant
- Lead FreeContains Lead
0 Similar Products Remaining
Technical Documents
Associated Products
| Part Number | Manufacturer | Description | Stock | RFQ |
|---|---|---|---|---|
| Analog Devices Inc. | ANALOG DEVICES ADM1064ASUZ SUPERVISOR/SEQUENCER ADC, TQFP48 | 160 | BUY | |
| Littelfuse Inc. | MAGNET 1.125"L X 0.259"W PLASTIC | 3220 | RFQ | |
| Grayhill Inc. | GRAYHILL 78B02T DIP / SIP Switch, 78 Series, SPST, Through Hole, 2 Circuits, DIP Unsealed, 24 VDC | 7 | BUY | |
| STMicroelectronics | STMICROELECTRONICS L78L33ACZLinear Voltage Regulator, Fixed, 3-Terminal, Positive, 8.3V To 30V In, 3.3V And 0.1A Out, TO-92-3 | 2500 | RFQ |


Product
Brand
Articles
Tools



























