Nuvoton Technology Corporation of America W6810ESEVALUATION SYSTEM FOR W6810
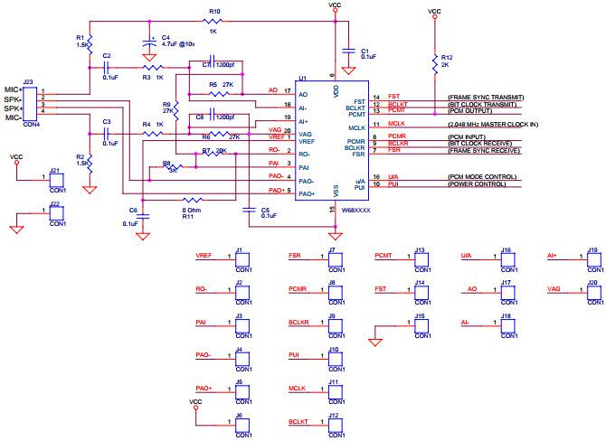
The Nuvoton Technology Corporation W6810ES-ES, W6810ES, Single Channel CODEC Mini Evaluation Board is a powerful and versatile tool for evaluating the performance of the W6810 consumer electronics audio codec. This evaluation board is designed to provide a comprehensive platform for testing and evaluating the features and capabilities of the W6810 audio codec. It features a single-channel CODEC, a USB interface, and a variety of audio connectors for connecting to external audio sources. The board also includes a variety of test and measurement tools, such as a signal generator, oscilloscope, and spectrum analyzer, to help users evaluate the performance of the W6810 audio codec. The board also includes a variety of software tools for configuring and controlling the W6810 audio codec. This evaluation board is an ideal tool for audio engineers and developers who need to evaluate the performance of the W6810 audio codec.
- TypeParameter
- Published2003
- Part StatusObsolete
- Moisture Sensitivity Level (MSL)1 (Unlimited)
- TypeAudio
- FunctionCODEC
- Utilized IC / PartW6810
- Supplied ContentsBoard(s)
- Evaluation KitYes
- Primary AttributesMono, PCM, Microphone and Speaker Connection
- EmbeddedNo
- Secondary Attributes5 V, 25mW, -40 ~ 85°C, Proto Area
- RoHS StatusNon-RoHS Compliant
| Part Number | Manufacturer | Description | Stock | RFQ |
|---|---|---|---|---|
| Microchip Technology | IC HORN DRIVER DUAL 16SOIC | 3476 | BUY | |
| Microchip Technology | HORN DRV, W/VREG, LED, BATT DET, 16PDIP | 330 | BUY | |
| Microchip Technology | HORN DRV, W/VREG, LED, BATT DET, 16SOIC | 1000 | BUY |


Product
Brand
Articles
Tools












