Analog Devices Inc. EVAL-RS485FDEBZANALOG DEVICES EVAL-RS485FDEBZEvaluation Board for Full Duplex RS485 Transceivers in 14 Lead SOIC Package
Description
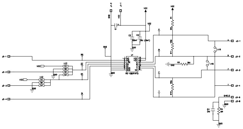
The Analog Devices EVAL-RS485FDEBZ is an evaluation board designed for the ADM3070E full-duplex RS-485 transceiver in a 14-lead SOIC package. This board is ideal for testing and evaluating the performance of the ADM3070E in a variety of communications and telecom applications. The board features a full-duplex RS-485 transceiver, a power supply, and a variety of connectors for easy connection to other devices. The board also includes a variety of test points and jumpers for easy debugging and troubleshooting. The board is designed to be used with a variety of microcontrollers and other devices, making it a great choice for prototyping and development.
Specifications
Analog Devices Inc. technical specifications, attributes, parameters and parts with similar specifications to Analog Devices Inc. .
- TypeParameter
- Lifecycle StatusPRODUCTION (Last Updated: 3 months ago)
- Factory Lead Time8 Weeks
- Package / CaseSOIC
- Number of Pins0
- Part StatusActive
- Moisture Sensitivity Level (MSL)1 (Unlimited)
- TypeInterface
- FunctionTransceiver, RS-485
- Operating Supply Voltage5V
- InterfaceRS-485
- Supplied ContentsBoard(s)
- Evaluation KitYes
- REACH SVHCNo SVHC
- RoHS StatusROHS3 Compliant
- Lead FreeContains Lead
0 Similar Products Remaining
Technical Documents
Associated Products
| Part Number | Manufacturer | Description | Stock | RFQ |
|---|---|---|---|---|
| Microchip | 8K X 8 I2C/2-WIRE SERIAL EEPROM, PDSO8, 3.90 MM, ROHS COMPLIANT, PLASTIC, SOIC-8 | 1747 | BUY | |
| Microchip Technology | EEPROM SERIAL 64K, 24LC64, SOIC8 | 700 | RFQ |


Product
Brand
Articles
Tools









