Analog Devices Inc. EVAL-RS485HDEBZANALOG DEVICES EVAL-RS485HDEBZEvaluation Board for Half Duplex RS485 Transceiver in 8 Lead SOIC Package
Description
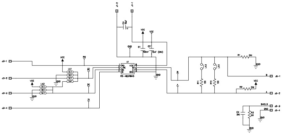
The Analog Devices EVAL-RS485HDEBZ is an evaluation board designed to evaluate the performance of the ADM1486 Half-Duplex RS-485 Transceiver in an 8-lead SOIC package. This board is ideal for use in communications and telecom applications, providing a reliable and cost-effective solution for data transmission over long distances. The board features a wide range of features, including a high-speed data rate of up to 10 Mbps, a low-power shutdown mode, and a wide common-mode range. The board also includes a variety of connectors and jumpers for easy connection to other devices. The board is designed to be used with the ADM1486 transceiver, and is compatible with a variety of other devices.
Specifications
Analog Devices Inc. technical specifications, attributes, parameters and parts with similar specifications to Analog Devices Inc. .
- TypeParameter
- Lifecycle StatusPRODUCTION (Last Updated: 3 months ago)
- Factory Lead Time8 Weeks
- Package / CaseSOIC
- Number of Pins0
- Part StatusActive
- Moisture Sensitivity Level (MSL)1 (Unlimited)
- TypeInterface
- FunctionTransceiver, RS-485
- Operating Supply Voltage5V
- InterfaceRS-485
- Supplied ContentsBoard(s)
- Evaluation KitYes
- REACH SVHCNo SVHC
- RoHS StatusROHS3 Compliant
- Lead FreeContains Lead
0 Similar Products Remaining
Technical Documents
Associated Products
| Part Number | Manufacturer | Description | Stock | RFQ |
|---|---|---|---|---|
| Analog Devices Inc. | DGTL ISO 3KV 1CH GATE DRVR 8SOIC | 10 | BUY |


Product
Brand
Articles
Tools








