Intel DK-DEV-5CGXC7NDEVELOPMENT KIT CYCLONE
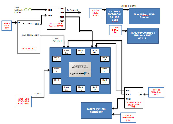
It is based on the Intel Cyclone V GX FPGA, which is a low-power, high-performance FPGA with a wide range of features. The board includes a variety of peripherals, such as a USB-UART bridge, an Ethernet PHY, an SD card slot, and a JTAG connector. It also includes a variety of I/O connectors, such as a VGA port, a PS/2 port, and a variety of GPIOs. The board is designed to be used with the Intel Quartus Prime software suite, which provides a comprehensive set of tools for designing, simulating, and debugging FPGA designs. The board is also compatible with a variety of third-party development tools, such as Xilinx Vivado and Altera Quartus II. The board is ideal for developing and prototyping low-power, Computers and Peripherals applications.
- TypeParameter
- PackageBox
- Base Product Number5CGXFC7
- MfrIntel
- Product StatusActive
- For Use With/Related Products5CGXFC7
- SeriesCyclone® V GX
- TypeFPGA
- Note-
- ContentsBoard(s), Cable(s), Power Supply
- PlatformCyclone V GX FPGA
- Interconnect SystemHSMC
- Suggested Programming EnvironmentQuartus II
| Part Number | Manufacturer | Description | Stock | RFQ |
|---|---|---|---|---|
| Analog Devices, Inc. | 0 | RFQ | ||
| Texas Instruments | IC SWITCH DUAL SPDT 10MSOP | 400 | RFQ | |
| Texas Instruments | IC INTERFACE SPECIALIZED 16WQFN | 45 | RFQ | |
| Texas Instruments | IC REG 3A SINK/SOURCE SSR 10MSOP | 17115 | RFQ |


Product
Brand
Articles
Tools












































































