Intel DK-DEV-5SGXEA7NKIT DEV STRATIX V FPGA 5SGXEA7
Description
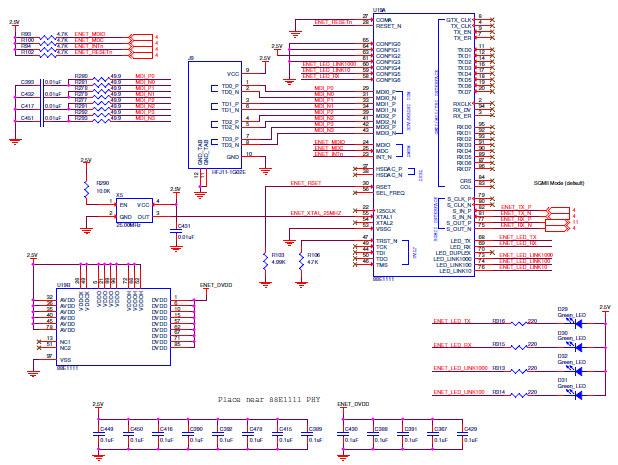
The board features a Stratix V GX FPGA, which is the highest-performance FPGA in the Stratix family. It also includes a variety of peripherals, such as a USB-UART bridge, Ethernet PHY, and a microSD card slot. The board also includes a variety of development tools, such as the Quartus Prime software, the Nios II Embedded Design Suite, and the ModelSim-Intel FPGA software. With these tools, you can quickly develop and prototype your design. The board also includes a variety of reference designs, such as a DDR3 memory controller, a PCIe endpoint, and a 10G Ethernet MAC. The board is ideal for applications such as high-speed networking, video processing, and embedded systems.
Specifications
Intel technical specifications, attributes, parameters and parts with similar specifications to Intel .
- TypeParameter
- Factory Lead Time2 Weeks
- PackagingBox
- SeriesStratix® V GX
- Part StatusActive
- Moisture Sensitivity Level (MSL)1 (Unlimited)
- TypeFPGA
- ContentsBoard(s), Cable(s), Power Supply
- RoHS StatusNon-RoHS Compliant
0 Similar Products Remaining
Technical Documents
Associated Products
| Part Number | Manufacturer | Description | Stock | RFQ |
|---|---|---|---|---|
| STMicroelectronics | IC TRANSCEIVER 5V RS232 16 SOIC | 0 | RFQ | |
| STMicroelectronics | IC DRVR/RCVR 5V RS232 16-SOIC | 0 | RFQ | |
| STMicroelectronics | TRANSCEIVER 5V RS232 ESD 16-SOIC | 22185 | RFQ | |
| STMicroelectronics | IC DRVR/RCVR RS232 5V 16-TSSOP | 0 | RFQ | |
| STMicroelectronics | IC DRVR/RCVR 5V RS232 16-TSSOP | 0 | RFQ | |
| STMicroelectronics | ST232CD Series 5 V Powered Multi Channel RS-232 Driver and Receiver - SOIC-16 | 12290 | RFQ | |
| STMicroelectronics | IC TRANSCEIVER 5V RS232 16 TSSOP | 0 | RFQ | |
| STMicroelectronics | IC DRVR/RCVR 5V RS232 16SOIC | 0 | RFQ | |
| STMicroelectronics | IC TRANSCEIVER 5V RS232 16 SOIC | 0 | RFQ |


Product
Brand
Articles
Tools














































































