Linear Technology/Analog Devices DC104B-ADEMO BOARD LTC1068CG
Description
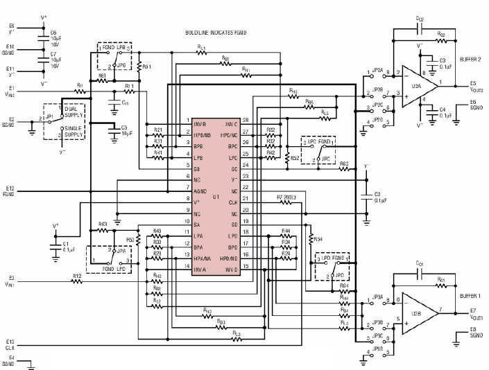
The Analog Devices DC104B-A Demo Board is a universal low noise 8th order filter building block designed for communications and telecom applications. It features a 100:1 frequency range from 50kHz to 50kHz, making it ideal for a wide range of applications. The board is designed to provide a low noise, high performance solution for signal conditioning and filtering. It is also designed to be easy to use and configure, with a simple user interface and intuitive controls. The board is also highly reliable and robust, making it suitable for long-term use in demanding environments.
Specifications
Linear Technology/Analog Devices technical specifications, attributes, parameters and parts with similar specifications to Linear Technology/Analog Devices .
- TypeParameter
- Lifecycle StatusPRODUCTION (Last Updated: 3 weeks ago)
- Factory Lead Time8 Weeks
- Number of Pins0
- Published2011
- Part StatusActive
- Moisture Sensitivity Level (MSL)1 (Unlimited)
- TypeFilter
- FunctionActive - Band Pass, High Pass, Low Pass
- Utilized IC / PartLTC1068
- Supplied ContentsBoard(s)
- Evaluation KitYes
- RoHS StatusROHS3 Compliant
0 Similar Products Remaining
Technical Documents
Associated Products
| Part Number | Manufacturer | Description | Stock | RFQ |
|---|---|---|---|---|
| Analog Devices, Inc. | 0 | RFQ |


Product
Brand
Articles
Tools


