Linear Technology/Analog Devices DC1327BBOARD DEMO FOR LT3599EFE
Description
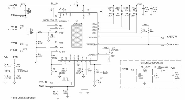
The Analog Devices DC1327B-B, LT3599EFE Demo Board is a 4-channel 100mA LED driver with 2% LED current matching, designed for automotive and transportation applications. It features a wide input voltage range of 4.5V to 40V, and can drive up to four LEDs with a maximum current of 100mA per channel. The board also features a 2% LED current matching accuracy, allowing for precise control of the LED brightness. Additionally, the board is designed to meet the requirements of automotive and transportation applications, with a wide operating temperature range of -40°C to +125°C. The board is also RoHS compliant, making it suitable for use in a variety of applications.
Specifications
Linear Technology/Analog Devices technical specifications, attributes, parameters and parts with similar specifications to Linear Technology/Analog Devices .
- TypeParameter
- Lifecycle StatusPRODUCTION (Last Updated: 3 weeks ago)
- Factory Lead Time8 Weeks
- Number of Pins0
- PackagingBox
- Part StatusActive
- Moisture Sensitivity Level (MSL)1 (Unlimited)
- Voltage - Output44V
- Utilized IC / PartLT3599
- Supplied ContentsBoard(s)
- Outputs and Type4, Non-Isolated
- FeaturesDimmable
- RoHS StatusROHS3 Compliant
0 Similar Products Remaining
Technical Documents


Product
Brand
Articles
Tools


