Linear Technology/Analog Devices DC1790A-ADEMO BOARD FOR LTM2886-3S
Description
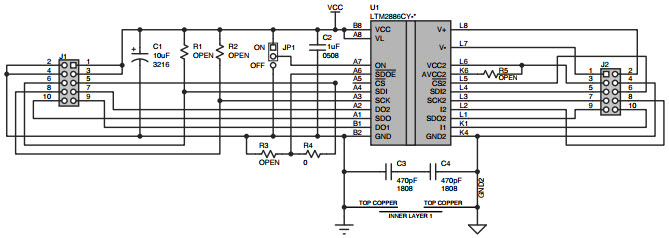
The Analog Devices DC1790A-A Demo Board is a versatile and reliable solution for isolating SPI signals in industrial applications. It is based on the LTM2886-3S SPI Module Isolator and operates at a 3.3V supply voltage. The board is designed for use in industrial temperature ranges, making it suitable for a wide range of applications. It features a wide range of features, including a high-speed SPI interface, low power consumption, and a high level of isolation. The board also includes a variety of protection features, such as over-voltage, over-current, and reverse-polarity protection. The DC1790A-A Demo Board is an ideal solution for isolating SPI signals in industrial applications.
Specifications
Linear Technology/Analog Devices technical specifications, attributes, parameters and parts with similar specifications to Linear Technology/Analog Devices .
- TypeParameter
- Lifecycle StatusPRODUCTION (Last Updated: 1 month ago)
- Factory Lead Time8 Weeks
- Number of Pins0
- SeriesµModule®
- Published2010
- Part StatusActive
- Moisture Sensitivity Level (MSL)1 (Unlimited)
- TypeInterface
- Base Part NumberLTM2886
- FunctionDigital Isolator
- Utilized IC / PartLTM2886-3S
- Supplied ContentsBoard(s)
- Secondary AttributesSPI Interface
- RoHS StatusROHS3 Compliant
0 Similar Products Remaining
Technical Documents


Product
Brand
Articles
Tools






