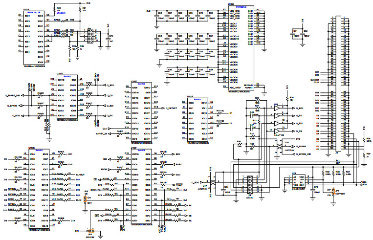
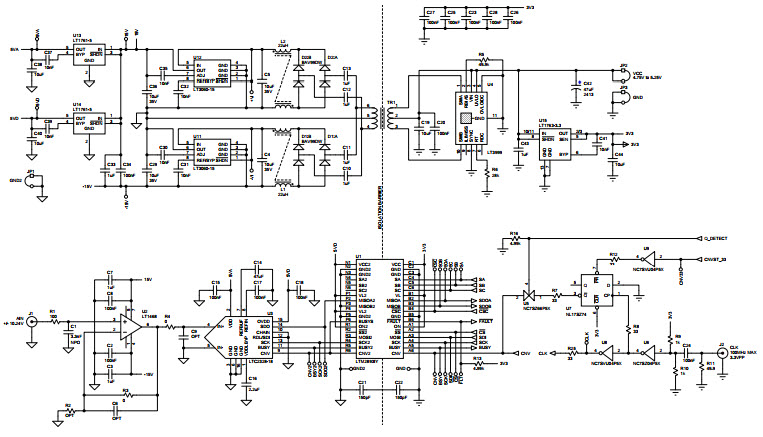
Linear Technology/Analog Devices DC2405ADEMO BOARD FOR LTM2893
The Analog Devices DC2405A-A, DC2405A, Demo Board is a versatile instrumentation and measurement tool based on the LTM2893 100 MHz SPI Module Isolator. It is designed to provide a comprehensive platform for evaluating the performance of the LTM2893 in a variety of applications. The board features a wide range of features, including a high-speed SPI interface, a wide range of voltage and current measurement capabilities, and a variety of signal conditioning and isolation options. The board also includes a variety of software tools for configuring and monitoring the performance of the LTM2893. The DC2405A-A, DC2405A, Demo Board is an ideal tool for engineers and technicians who need to evaluate the performance of the LTM2893 in a variety of applications.
- TypeParameter
- Factory Lead Time8 Weeks
- SeriesµModule®
- Published2015
- Part StatusActive
- Moisture Sensitivity Level (MSL)1 (Unlimited)
- TypeInterface
- Base Part NumberLTM2893
- FunctionDigital Isolator
- Utilized IC / PartLTM2893
- Supplied ContentsBoard(s)
- RoHS StatusNon-RoHS Compliant
| Part Number | Manufacturer | Description | Stock | RFQ |
|---|---|---|---|---|
| ON Semiconductor | ON SEMICONDUCTOR - NL17SZ74USG - Flip-Flop, Complementary, Positive Edge, D, 2.6 ns, 250 MHz, 32 mA, US8 | 947 | RFQ | |
| Microchip Technology | IC EEPROM 2K I2C 400KHZ 8TSSOP | 1000 | BUY | |
| Texas Instruments | IC TRNSLTR BIDIRECTIONAL 6SOT | 1990 | RFQ | |
| Analog Devices, Inc. | 0 | RFQ |


Product
Brand
Articles
Tools












