Maxim Integrated DS3232MEVKIT#Clock & Timer Development Tools DS3232M Eval Kit
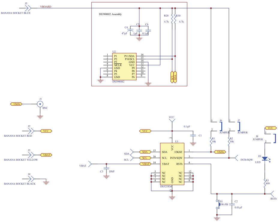
The Maxim Integrated DS3232MEVKIT-MEVKIT# is an evaluation kit for the DS3232M ±5ppm, I2C Real-Time Clock, Industrial Temp. This kit provides a complete platform for evaluating the features and performance of the DS3232M. It includes a DS3232M module, a USB-to-I2C interface board, and a software package for controlling the DS3232M. The DS3232M is a low-power, high-accuracy, I2C real-time clock (RTC) with an integrated temperature-compensated crystal oscillator (TCXO). It features a ±5ppm accuracy over the industrial temperature range of -40°C to +85°C. The DS3232M also includes a programmable alarm, a 32kHz output, and a programmable interrupt output. The evaluation kit provides a convenient way to evaluate the features and performance of the DS3232M.
- TypeParameter
- Factory Lead Time6 Weeks
- Published2010
- Part StatusActive
- Moisture Sensitivity Level (MSL)1 (Unlimited)
- TypeTiming
- Base Part NumberDS3232M
- FunctionReal Time Clock (RTC)
- Max Supply Voltage4.5V
- Min Supply Voltage2.3V
- Min Input Voltage2.3V
- Max Input Voltage4.5V
- Utilized IC / PartDS3232M
- Supplied ContentsBoard(s)
- Evaluation KitYes
- Width210mm
- Length297mm
- Height30mm
- RoHS StatusROHS3 Compliant
| Part Number | Manufacturer | Description | Stock | RFQ |
|---|---|---|---|---|
| Microchip Technology | IC REG BST ADJ 0.35A SYNC SOT23 | 0 | RFQ | |
| Microchip Technology | MICROCHIP - MRF89XAM9A-I/RM - RADIO MOD, TXRX, MRF89XA, PCB ANT | 0 | RFQ | |
| Microchip Technology | IC, EEPROM, SERIAL, 2K, 1.8V, 8SOIC | 0 | RFQ | |
| Microchip Technology | IC FLASH 1MBIT 33MHZ 8SOIC | 0 | RFQ | |
| Microchip Technology | MICROCHIP - MCP9700AT-E/LT - TEMPERATURE SENSOR, 1C, 5-SC70 | 22 | RFQ | |
| Microchip Technology | IC MCU 8BIT 64KB FLASH 44TQFP | 4 | RFQ | |
| Microchip Technology | SENSOR ANALOG -40C-125C SC70-5 | 0 | RFQ |


Product
Brand
Articles
Tools
















