Maxim Integrated MAX14514EVKIT+EVAL KIT MAX14514 (DUAL ELECTROL
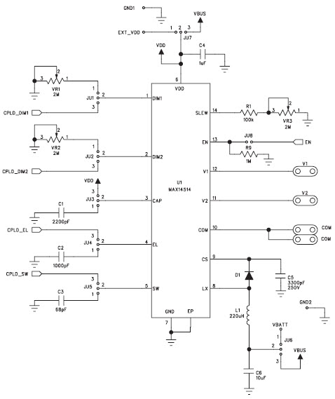
The Maxim Integrated MAX14514EVKIT+ is an evaluation kit for the MAX14514 general lamp driver for personal digital assistant, automotive, and transportation applications. This kit includes a MAX14514EVKIT+ board, a MAX14514EVKIT+ software package, and a MAX14514EVKIT+ user guide. The MAX14514EVKIT+ board features a MAX14514 general lamp driver, a MAX14514EVKIT+ software package, and a MAX14514EVKIT+ user guide. The MAX14514EVKIT+ software package includes a graphical user interface (GUI) for configuring the MAX14514 general lamp driver, as well as a library of example programs for controlling the MAX14514. The MAX14514EVKIT+ user guide provides detailed instructions on how to use the MAX14514EVKIT+ board and software package. The MAX14514EVKIT+ is ideal for evaluating the MAX14514 general lamp driver for personal digital assistant, automotive, and transportation applications.
- TypeParameter
- Factory Lead Time6 Weeks
- Part StatusActive
- Moisture Sensitivity Level (MSL)1 (Unlimited)
- RoHS StatusNon-RoHS Compliant


Product
Brand
Articles
Tools








