Maxim Integrated MAX14521EEVKIT+Display Development Tools MAX14521EEVKIT+
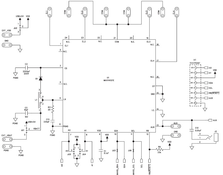
The Maxim Integrated MAX14521EEVKIT+ is an evaluation kit for a general lamp driver for personal digital assistant, automotive, and transportation applications. It includes the MAX14521, a high-efficiency, low-power, low-noise, and low-EMI LED driver IC. The kit also includes a MAX14521 evaluation board, a USB cable, and a user guide. The MAX14521 is designed to drive up to four LEDs with a wide range of current levels, from 0.1mA to 20mA. It features a wide input voltage range of 2.7V to 5.5V, and a wide output voltage range of 0.2V to 5.5V. The MAX14521 also features a low-noise, low-EMI, and low-power operation, making it ideal for automotive and transportation applications. The MAX14521EEVKIT+ is a great tool for evaluating the performance of the MAX14521 in a variety of applications.
- TypeParameter
- Factory Lead Time6 Weeks
- Published2013
- Part StatusActive
- Moisture Sensitivity Level (MSL)1 (Unlimited)
- RoHS StatusNon-RoHS Compliant


Product
Brand
Articles
Tools






