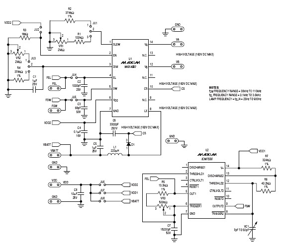
Maxim Integrated MAX4990EVKIT+KIT EVAL FOR MAX4990
(A&T) qualified, low-power, low-noise, low-dropout (LDO) linear regulator. The evaluation kit includes the MAX4990EVKIT+ board, a MAX4990ATP+ IC, and a USB-to-I2C interface board. The MAX4990EVKIT+ board is designed to provide a simple and easy-to-use platform for evaluating the MAX4990ATP+ IC. The board includes a wide range of features, such as a wide input voltage range, adjustable output voltage, and a wide range of output current. The board also includes a USB-to-I2C interface board, which allows the user to easily program the MAX4990ATP+ IC. The MAX4990ATP+ IC is a high-voltage, A&T qualified, low-power, low-noise, low-dropout (LDO) linear regulator. The IC is designed to provide a regulated output voltage from 1.2V to 5.5V with a maximum output current of 1A. The IC also features a low quiescent current of only 1.5µA, making it ideal for battery-powered applications. The MAX4990ATP+ IC is also designed to provide excellent transient response and low output noise. The MAX4990EVKIT+ evaluation kit provides a complete platform for evaluating the MAX4990ATP+ IC. The board includes a wide range of features, such as adjustable output voltage, wide input voltage range, and a wide range of output current. The board also includes a USB-to-I2C interface board, which allows the user to easily program the MAX4990ATP+ IC. The MAX4990EVKIT+ evaluation kit is an ideal platform for evaluating the MAX4990ATP+ IC in automotive and transportation applications.
- TypeParameter
- Factory Lead Time6 Weeks
- PackagingBulk
- Published2008
- Part StatusActive
- Moisture Sensitivity Level (MSL)1 (Unlimited)
- TypeOpto/Lighting
- FunctionElectroluminescent
- Operating Supply Voltage5V
- Output Current40mA
- Max Input Voltage5V
- Utilized IC / PartMAX4990
- Supplied ContentsBoard(s)
- Evaluation KitYes
- Height30mm
- Length297mm
- Width210mm
- Radiation HardeningNo
- RoHS StatusROHS3 Compliant
| Part Number | Manufacturer | Description | Stock | RFQ |
|---|---|---|---|---|
| Maxim Integrated | IC OPAMP CURR SENSE 250KHZ 8UMAX | 13 | RFQ |


Product
Brand
Articles
Tools









