Maxim Integrated MAX14913EVKIT#EV KIT FOR MAX14913
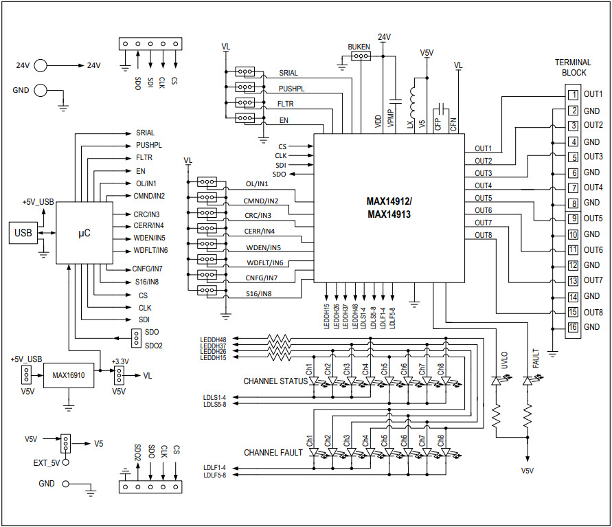
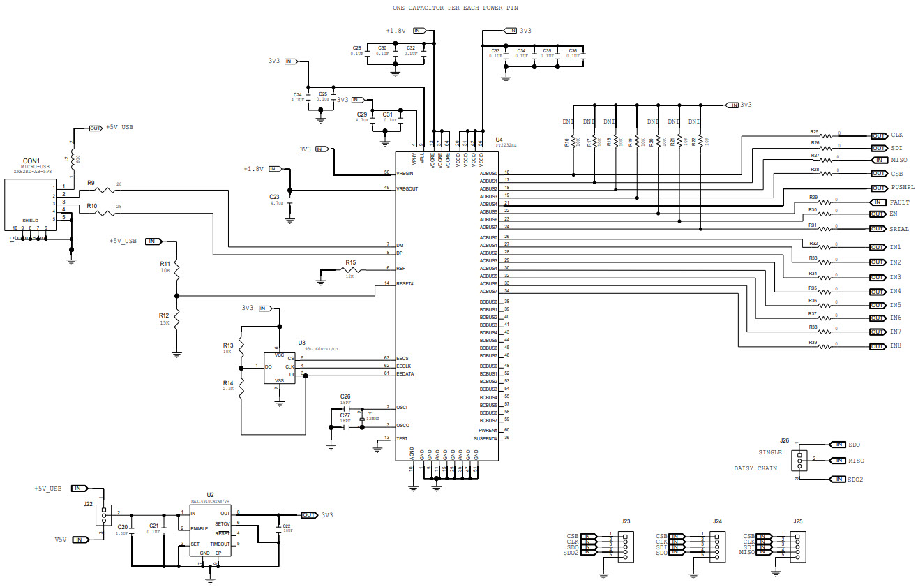
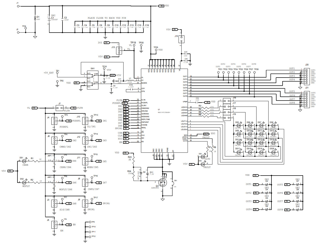
The MAX14913EVKIT-EVKIT# is an evaluation kit for the MAX14913 Octal High-Speed, High-Side Switch/Push-Pull Driver, Industrial Automation and Motor Control. This kit includes a MAX14913 evaluation board, a USB-to-I2C interface board, and a USB cable. The MAX14913 is a high-speed, high-side switch/push-pull driver that is designed for industrial automation and motor control applications. It features an octal high-side switch/push-pull driver with integrated charge pump, adjustable slew rate, and adjustable dead time. The evaluation board allows users to evaluate the performance of the MAX14913 in a variety of applications. The USB-to-I2C interface board provides an easy way to connect the evaluation board to a PC for programming and debugging. The USB cable is used to connect the USB-to-I2C interface board to the PC.
- TypeParameter
- Factory Lead Time6 Weeks
- Published2016
- Part StatusActive
- Moisture Sensitivity Level (MSL)1 (Unlimited)
- TypePower Management
- Base Part NumberMAX14913
- FunctionHigh Side Driver (Internal FET)
- Utilized IC / PartMAX14913
- Supplied ContentsBoard(s)
- Evaluation KitYes
- Primary Attributes8-Channel (Octal)
- Secondary AttributesOn-Board LEDs
- REACH SVHCNo SVHC
- RoHS StatusNon-RoHS Compliant


Product
Brand
Articles
Tools













