Maxim Integrated MAX2830EVKIT+EVAL KIT, MAX2830, RF TRANSCEIVER
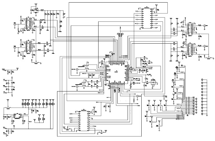
The Maxim Integrated MAX2830EVKIT-EVKIT+ is an evaluation kit for the MAX2830 2400 to 2500MHz, 802.11b/g RF Transceiver for Cellular Phone, Consumer Electronics, and Wireless LAN Applications. This kit includes a MAX2830EVKIT+ board, a MAX2830EVKIT+ software package, and a MAX2830EVKIT+ user guide. The MAX2830EVKIT+ board is designed to evaluate the performance of the MAX2830 transceiver in a variety of applications. The board includes a MAX2830 transceiver, a power supply, a USB interface, and a variety of test points and connectors. The MAX2830EVKIT+ software package provides a graphical user interface for configuring and testing the MAX2830 transceiver. The MAX2830EVKIT+ user guide provides detailed instructions for setting up and using the evaluation kit. The MAX2830EVKIT-EVKIT+ is an ideal tool for evaluating the performance of the MAX2830 transceiver in a variety of applications.
- TypeParameter
- Factory Lead Time6 Weeks
- Published2011
- Part StatusActive
- Moisture Sensitivity Level (MSL)1 (Unlimited)
- TypeTransceiver; 802.11 b/g (Wi-Fi, WiFi, WLAN)
- Max Operating Temperature85°C
- Min Operating Temperature-40°C
- Frequency2.4GHz
- Max Supply Voltage5V
- Min Supply Voltage3.3V
- Min Input Voltage3.3V
- Max Input Voltage5V
- Supplied ContentsBoard(s)
- Evaluation KitYes
- Height30mm
- Length297mm
- Width210mm
- Radiation HardeningNo
- RoHS StatusROHS3 Compliant









