Maxim Integrated MAX2831EVKIT+WiFi / 802.11 Development Tools MAX2831 Eval Kit
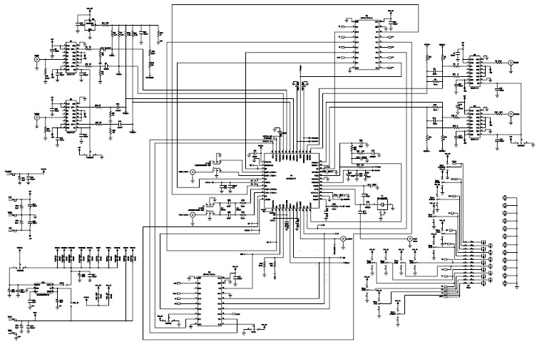
The MAX2831EVKIT+ Evaluation Kit from Maxim Integrated is designed to evaluate the MAX2831 2400 to 2500MHz, 802.11b/g RF Transceiver for Cellular Phone, Consumer Electronics, and Wireless LAN Applications. This evaluation kit includes a MAX2831EVKIT+ board, a MAX2831EVKIT+ software package, and a MAX2831EVKIT+ user guide. The MAX2831EVKIT+ board features a MAX2831 transceiver, a power supply, a USB interface, and a variety of test points and connectors. The MAX2831EVKIT+ software package includes a graphical user interface (GUI) for configuring and testing the MAX2831 transceiver. The MAX2831EVKIT+ user guide provides detailed instructions for setting up and using the evaluation kit. The MAX2831EVKIT+ is an ideal solution for evaluating the performance of the MAX2831 transceiver in a variety of applications.
- TypeParameter
- Factory Lead Time6 Weeks
- Published2011
- Part StatusActive
- Moisture Sensitivity Level (MSL)1 (Unlimited)
- TypeTransceiver; 802.11 b/g (Wi-Fi, WiFi, WLAN)
- Max Operating Temperature85°C
- Min Operating Temperature-40°C
- Frequency2.4GHz
- Operating Supply Voltage5V
- Supplied ContentsBoard(s)
- Evaluation KitYes
- Radiation HardeningNo
- RoHS StatusROHS3 Compliant







