Maxim Integrated MAX30101WING#FEATHERWING MODULE WITH PULSEOX
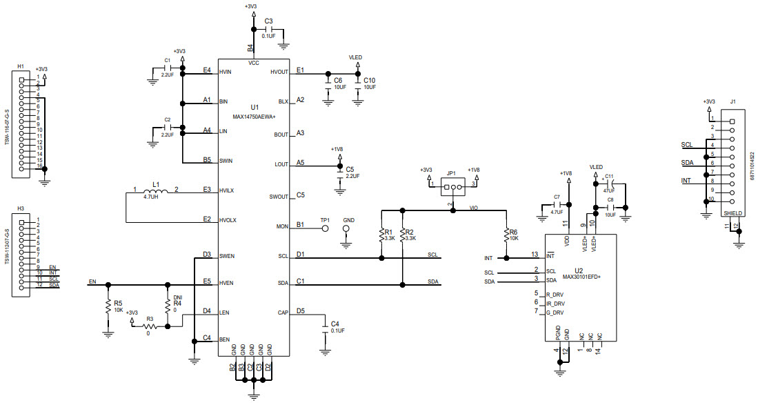
The MAX30101WING-WING# Development Board from Maxim Integrated is a comprehensive development platform for the MAX30101 high-sensitivity pulse oximeter and heart-rate sensor. This board is designed for use in wearable health, medical, and healthcare applications. It features a MAX30101 sensor, a MAX32630FTHR microcontroller, and a MAX14690 power-management IC. The board also includes a 3-axis accelerometer, a temperature sensor, and a barometric pressure sensor. The board is designed to be used with the MAX30101WING# software development kit, which provides a comprehensive set of tools for developing applications with the MAX30101 sensor. The board is also compatible with the MAX30102WING# software development kit, which provides additional features and capabilities.
- TypeParameter
- Factory Lead Time6 Weeks
- Part StatusActive
- Moisture Sensitivity Level (MSL)1 (Unlimited)
- RoHS StatusNon-RoHS Compliant


Product
Brand
Articles
Tools





