Maxim Integrated MAX33250ESHLD#EVAL DUAL TXRX RS232 MAX33250
Description
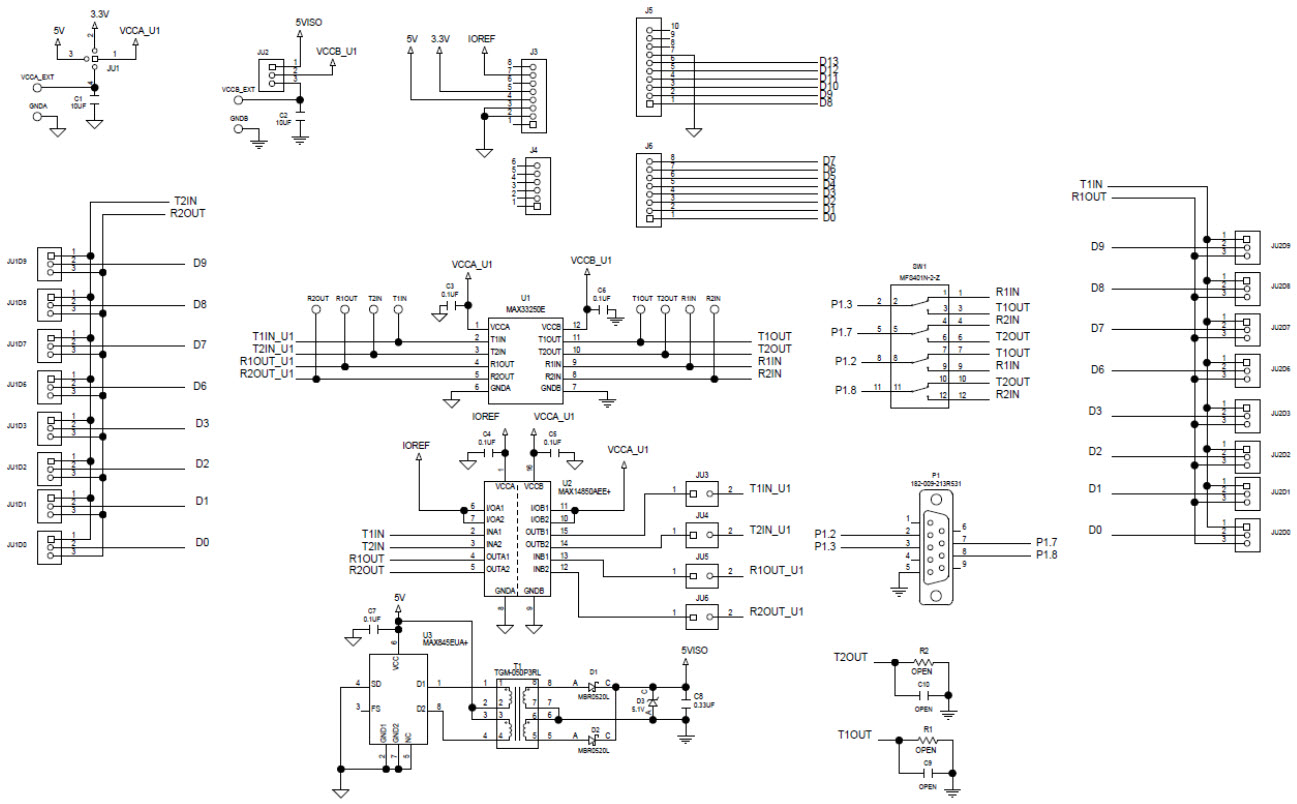
The Maxim Integrated MAX33250ESHLD-ESHLD# Evaluation Kit is designed for evaluating the MAX33250E 600V Isolated 2Tx/2Rx and 1Tx/1Rx RS-232 Transceiver with ±15kV ESD and Integrated Capacitors. This kit includes a MAX33250E transceiver, a MAX33250ESHLD-ESHLD# evaluation board, and a USB-to-RS-232 cable. The MAX33250E is a high-speed, low-power, isolated RS-232 transceiver with integrated capacitors and ±15kV ESD protection. It is designed to provide reliable, isolated communication between two devices over a single twisted-pair cable. The evaluation board provides a convenient platform for evaluating the MAX33250E transceiver and its features. The USB-to-RS-232 cable allows for easy connection to a PC for testing and evaluation.
Specifications
Maxim Integrated technical specifications, attributes, parameters and parts with similar specifications to Maxim Integrated .
- TypeParameter
- Factory Lead Time6 Weeks
- Part StatusActive
- Moisture Sensitivity Level (MSL)3 (168 Hours)
- TypeInterface
- FunctionRS232
- Utilized IC / PartMAX33250E
- ContentsBoard(s)
- PlatformArduino
- RoHS StatusROHS3 Compliant
0 Similar Products Remaining
Technical Documents


Product
Brand
Articles
Tools



