Maxim Integrated MAX35103EVKIT2#SMART VALVE REFERENCE BOARD
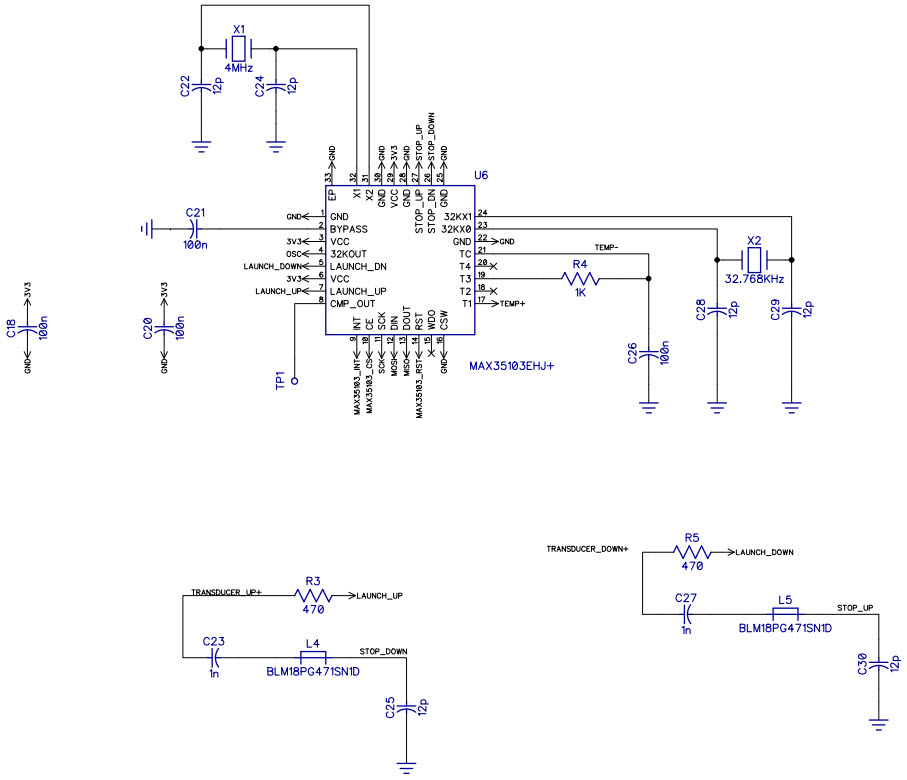
The Maxim Integrated MAX35103EVKIT2-EVKIT2# and MAX35103EVKIT2# Evaluation Kit is designed to evaluate the MAX35103 and MAX32620 Reduced Power Time-to-Digital Converter with AFE, RTC and Flash. This kit provides a complete platform for instrumentation and measurement applications. It includes a MAX35103EVKIT2# evaluation board, a MAX32620EVKIT2# evaluation board, a MAX32620EVKIT2# evaluation board, and a MAX32620EVKIT2# evaluation board. The MAX35103EVKIT2# evaluation board features a MAX35103 time-to-digital converter, a MAX32620 microcontroller, and a MAX32620 flash memory. The MAX32620EVKIT2# evaluation board features a MAX32620 microcontroller, a MAX32620 flash memory, and a MAX32620 real-time clock. The MAX32620EVKIT2# evaluation board features a MAX32620 microcontroller, a MAX32620 flash memory, and a MAX32620 analog front-end. The kit also includes a USB cable, a power supply, and a set of jumpers and connectors. This evaluation kit is ideal for instrumentation and measurement applications.
- TypeParameter
- Factory Lead Time6 Weeks
- Part StatusActive
- Moisture Sensitivity Level (MSL)1 (Unlimited)
- TypeInterface
- FunctionTime-to-Digital Converter
- Utilized IC / PartMAX35103
- Supplied ContentsBoard(s)
- Primary Attributes1-Channel (Single)
- Secondary AttributesGraphical User Interface
- RoHS StatusNon-RoHS Compliant
| Part Number | Manufacturer | Description | Stock | RFQ |
|---|---|---|---|---|
| Abracon LLC | CRYSTAL 4.0000MHZ 18PF SMD | 17000 | RFQ |


Product
Brand
Articles
Tools














