Maxim Integrated MAX4952AEVKIT+EVAL KIT FOR MAX4952
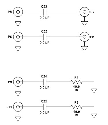
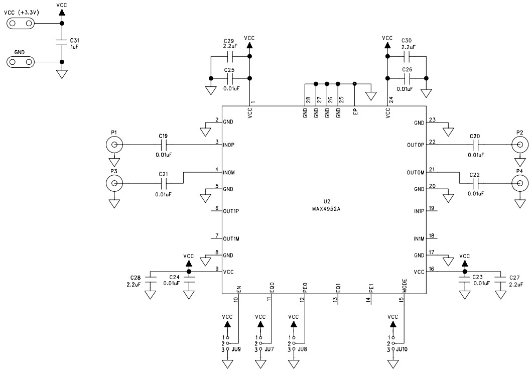
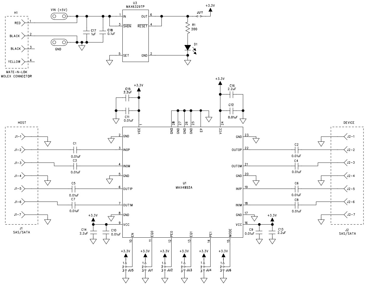
The MAX4952AEVKIT+ Evaluation Kit for the MAX4952A Dual Equalized 1.5/3/6 GT/s SAS/SATA Redriver from Maxim Integrated is a comprehensive evaluation platform for testing and evaluating the performance of the MAX4952A. The kit includes a MAX4952AEVKIT+ board, a USB-to-I2C adapter, and a USB cable. The board features two independent channels of equalized 1.5/3/6 GT/s SAS/SATA redriver, each with a differential input and output. The board also includes a power supply, a reference clock, and a loopback connector for testing. The USB-to-I2C adapter allows for easy communication with the board, and the USB cable provides power to the board. The MAX4952AEVKIT+ is an ideal tool for evaluating the performance of the MAX4952A in a variety of applications.
- TypeParameter
- Factory Lead Time6 Weeks
- Published2009
- Part StatusActive
- Moisture Sensitivity Level (MSL)1 (Unlimited)
- TypeInterface
- Base Part NumberMAX4952
- FunctionRe-Driver
- Utilized IC / PartMAX4952A
- Supplied ContentsBoard(s)
- Evaluation KitYes
- EmbeddedNo
- Secondary Attributes2 Channels
- RoHS StatusROHS3 Compliant


Product
Brand
Articles
Tools







