Maxim Integrated MAX9259EVKIT+Interface Development Tools MAX9259 Eval Kit
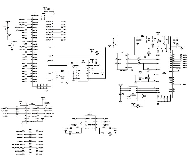
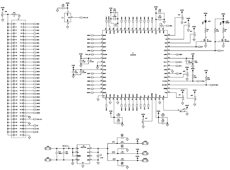
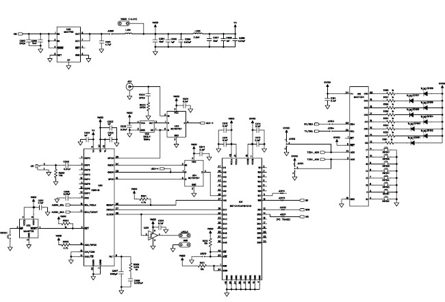
The Maxim Integrated MAX9259EVKIT+ Evaluation Kit is an ideal solution for evaluating the MAX9259 gigabit multimedia serial link with spread spectrum and full-duplex control channel for medical and healthcare applications. This kit provides a comprehensive design that allows users to quickly and easily evaluate the performance of the MAX9259. It includes a MAX9259 evaluation board, a MAX9259 daughter board, a USB-to-serial converter, and a USB cable. The evaluation board features a USB interface, a power supply, and a variety of connectors for connecting to external devices. The daughter board provides a convenient way to connect to the MAX9259 and includes a variety of test points for monitoring the performance of the device. The USB-to-serial converter and USB cable provide a simple way to connect the evaluation board to a PC for programming and debugging. With this kit, users can quickly and easily evaluate the performance of the MAX9259 and develop applications for medical and healthcare applications.
- TypeParameter
- Factory Lead Time6 Weeks
- PackagingBulk
- Published2007
- Part StatusActive
- Moisture Sensitivity Level (MSL)1 (Unlimited)
- TypeInterface
- Base Part NumberMAX9259
- FunctionSerializer
- Operating Supply Voltage5V
- InterfaceUSB
- Max Input Voltage5V
- Utilized IC / PartMAX9259
- Supplied ContentsBoard(s), Cable(s)
- Evaluation KitYes
- EmbeddedYes, MCU, 8-Bit
- Secondary AttributesGraphical User Interface
- Height30mm
- Length297mm
- Width210mm
- Radiation HardeningNo
- RoHS StatusROHS3 Compliant
| Part Number | Manufacturer | Description | Stock | RFQ |
|---|---|---|---|---|
| Maxim Integrated | MAXIM INTEGRATED PRODUCTS MAX1792EUA18 LIN, REG, 0.5A, /-1%, 1.8V/ADJ, 8MAX | 20 | RFQ | |
| Maxim Integrated | DS89C450 Series 64 kB Flash 1 kB RAM 33 MHz 8-Bit Microcontroller - TQFP-44 | 10006 | BUY | |
| Maxim Integrated | IC I/O EXPANDER I2C 8B 24QSOP | 100 | BUY | |
| Maxim Integrated | 568 | RFQ |


Product
Brand
Articles
Tools















