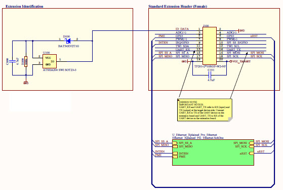
Microchip Technology ATETHERNET1-XPROEthernet1 Xplained Pro Extension Board
It provides a secure connection to the Internet of Things (IoT) and other embedded applications. The board includes an Atmel ATECC608A CryptoAuthentication device, an Ethernet PHY, and an RJ45 connector. The board is designed to be used with the Atmel Xplained Pro evaluation platform, which provides a comprehensive development environment for the Atmel ATECC608A CryptoAuthentication device. The board is also compatible with the Atmel SAM L21 Xplained Pro evaluation kit. The board provides a secure connection to the Internet of Things (IoT) and other embedded applications. It features an Atmel ATECC608A CryptoAuthentication device, an Ethernet PHY, and an RJ45 connector. The board is designed to be used with the Atmel Xplained Pro evaluation platform, which provides a comprehensive development environment for the Atmel ATECC608A CryptoAuthentication device. The board is also compatible with the Atmel SAM L21 Xplained Pro evaluation kit. The board provides a secure connection to the Internet of Things (IoT) and other embedded applications. It features an Atmel ATECC608A CryptoAuthentication device, an Ethernet PHY, and an RJ45 connector.
- TypeParameter
- Factory Lead Time14 Weeks
- MountExternal
- Published2014
- Part StatusActive
- Moisture Sensitivity Level (MSL)1 (Unlimited)
- Accessory TypeInterface Board
- REACH SVHCNo SVHC
- RoHS StatusROHS3 Compliant
- Lead FreeLead Free
| Part Number | Manufacturer | Description | Stock | RFQ |
|---|---|---|---|---|
| Microchip Technology | EEPROM Serial-3Wire 1K-bit 128 x 8/64 x 16 2.5V/3.3V/5V 8-Pin SOIC T/R | 40000 | RFQ | |
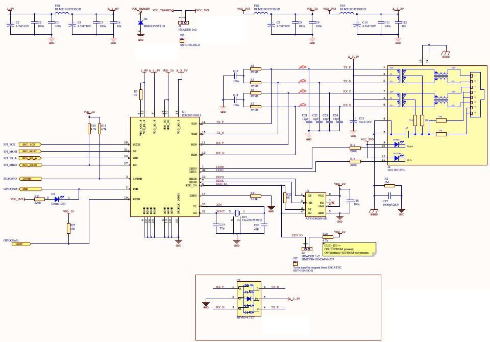
| Microchip Technology | Ethernet CTLR Single Chip 10Mbps/100Mbps 3.3V 32-Pin QFN EP | 0 | RFQ | |
| EPSON | CRYSTAL 25.0000MHZ 18PF SMD | 0 | RFQ |


Product
Brand
Articles
Tools


















