Microchip Technology DM080101WATER TOLERANT TOUCH SURFACE DEV
The Microchip Technology DM080101-DM080101 Water Tolerant 2D Touch Surface Development Kit is a consumer electronics product designed to help developers create interactive touch surfaces for a variety of applications. The kit includes a 2D touch surface controller, a touch surface development board, and a USB cable. The controller is capable of detecting up to 16 simultaneous touches and is water-resistant, making it ideal for use in outdoor or wet environments. The development board includes a variety of components, including a microcontroller, a display, and a touch surface controller, allowing developers to quickly and easily create interactive touch surfaces. The USB cable allows for easy connection to a computer for programming and debugging. With the Microchip Technology DM080101-DM080101 Water Tolerant 2D Touch Surface Development Kit, developers can create interactive touch surfaces for a variety of applications.
- TypeParameter
- Factory Lead Time14 Weeks
- Part StatusActive
- Moisture Sensitivity Level (MSL)1 (Unlimited)
- TypeInterface
- FunctionHuman Interface
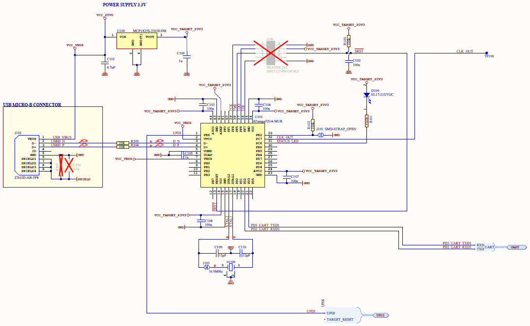
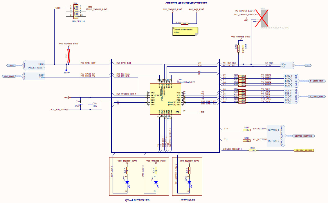
- Utilized IC / PartATtiny1617
- Supplied ContentsBoard(s)
- EmbeddedYes, MCU, 8-Bit
| Part Number | Manufacturer | Description | Stock | RFQ |
|---|---|---|---|---|
| Epson | 0 | RFQ | ||
| Microchip Technology | IC REG LIN 3.3V 500MA SOT223-3 | 0 | RFQ | |
| Microchip Technology | MICROCHIP - MCP23017-E/ML - I/O Expander, 16bit, 1.7 MHz, I2C, 1.8 V, 5.5 V, QFN | 7912 | RFQ | |
| Microchip Technology | IC MCU 8BIT 16KB FLASH 24QFN | 3000 | RFQ |


Product
Brand
Articles
Tools



















