Microchip Technology E6240KIT EVAL/DEV USING QT60240-ISG
Description
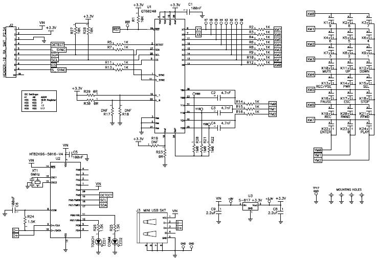
The Microchip Technology E6240-E6240 Evaluation Board is a powerful and versatile consumer electronics controller based on the QT60160/QT60240 capacitive touch screen. This board is designed to provide a comprehensive platform for evaluating and developing applications for consumer electronics products. It features a wide range of features, including a capacitive touch screen, a high-performance processor, a wide range of peripherals, and a comprehensive software development environment. The board is ideal for prototyping and testing consumer electronics products, and can be used to develop a wide range of applications. It is also suitable for use in a variety of industrial and commercial applications.
Specifications
Microchip Technology technical specifications, attributes, parameters and parts with similar specifications to Microchip Technology .
- TypeParameter
- MountCable
- Number of I/Os13
- RAM(byte)96
- ROM(word)1024
- PackagingBox
- SeriesQuantum, QMatrix™
- Published2006
- JESD-609 Codee3
- Pbfree Codeyes
- Part StatusObsolete
- Moisture Sensitivity Level (MSL)1 (Unlimited)
- Number of Terminations18
- ECCN Code3A991.A.2
- Terminal FinishMatte Tin (Sn) - annealed
- Max Operating Temperature85°C
- Min Operating Temperature-40°C
- HTS Code8542.31.00.01
- Voltage - Supply5V
- Terminal PositionDUAL
- Terminal FormGULL WING
- Peak Reflow Temperature (Cel)260
- Supply Voltage5V
- Terminal Pitch1.27mm
- Time@Peak Reflow Temperature-Max (s)40
- Pin Count18
- JESD-30 CodeR-PDSO-G18
- Operating Supply Voltage5.5V
- Power Supplies3.3/5V
- Temperature GradeCOMMERCIAL
- InterfaceI2C, USB
- Speed1 MHz
- uPs/uCs/Peripheral ICs TypeMICROCONTROLLER, RISC
- Clock Frequency4MHz
- Bit Size8
- Has ADCNO
- DMA ChannelsNO
- PWM ChannelsNO
- DAC ChannelsNO
- Utilized IC / PartQT60160, QT60240
- Supplied ContentsBoard(s), Cable(s)
- Evaluation KitYes
- Sensor TypeTouch, Capacitive
- On Chip Program ROM Width14
- CPU FamilyPIC
- EmbeddedNo
- Sensing Range16 / 24 Buttons/Keys
- ROM ProgrammabilityOTPROM
- Height Seated (Max)2.64mm
- Width7.5mm
- Length11.55mm
- RoHS StatusROHS3 Compliant
- Lead FreeLead Free
0 Similar Products Remaining
Technical Documents
Associated Products
| Part Number | Manufacturer | Description | Stock | RFQ |
|---|---|---|---|---|
| ABLIC U.S.A. Inc. | IC REG LINEAR 3.6V 50MA SC82AB | 0 | RFQ | |
| ABLIC U.S.A. Inc. | IC REG LINEAR 3.3V 50MA SC82AB | 3000 | RFQ |


Product
Brand
Articles
Tools







