MikroElektronika MIKROE-33103D HALL 3 CLICK
Description
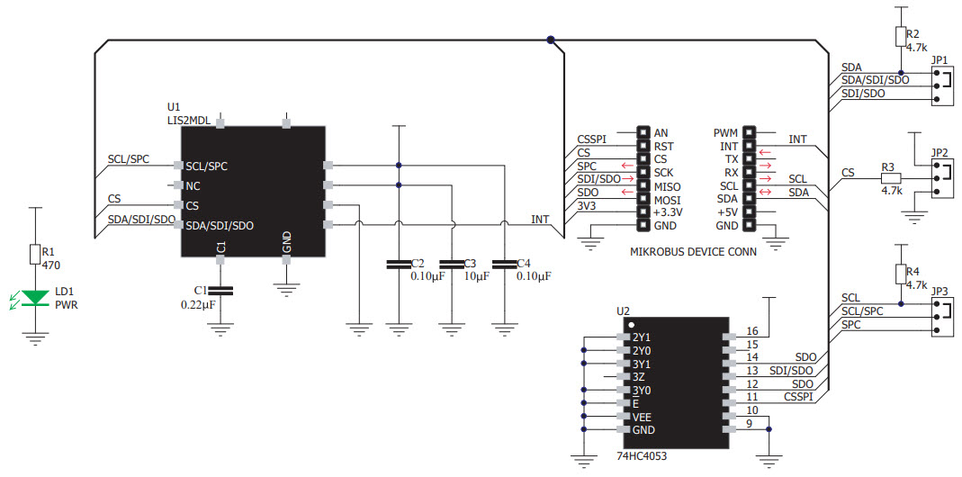
The MikroElektronika MIKROE-3310, 3D Hall 3 Click Board is an industrial grade solution based on the LIS2MDL low power 3D magnetic sensor. It is designed to measure the magnetic field in three axes, allowing for the detection of the direction and magnitude of the magnetic field. The board is capable of detecting magnetic fields up to ±50 gauss, and is suitable for a wide range of applications, including navigation, robotics, and industrial automation. It features a low power consumption of only 1.2 mA, and is capable of operating in temperatures ranging from -40°C to +85°C. The board also features an I2C interface, allowing for easy integration into existing systems.
Specifications
MikroElektronika technical specifications, attributes, parameters and parts with similar specifications to MikroElektronika .
- TypeParameter
- Factory Lead Time4 Weeks
- Part StatusActive
- Moisture Sensitivity Level (MSL)1 (Unlimited)
- TypeSensor
- FunctionMagnetic Hall Effect
- Utilized IC / PartLIS2MDL
- ContentsBoard(s)
- PlatformmikroBUS™ Click™
- RoHS StatusROHS3 Compliant
0 Similar Products Remaining
Technical Documents


Product
Brand
Articles
Tools













