MikroElektronika MIKROE-3465PROXIMITY 9 CLICK
Description
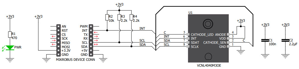
The MikroElektronika MIKROE-3465 Proximity 9 Click Board is a consumer electronics device that utilizes the VCNL4040 integrated proximity and ambient light sensor with I2C interface. This board is designed to detect objects in close proximity and measure the ambient light intensity. It features a wide range of detection distances, from 10 cm to 200 cm, and a wide range of light intensity measurements, from 0.25 lux to 16,000 lux. The board also features an I2C interface for easy integration into existing systems. The board is designed to be used in a variety of applications, including robotics, security systems, and home automation.
Specifications
MikroElektronika technical specifications, attributes, parameters and parts with similar specifications to MikroElektronika .
- TypeParameter
- Part StatusActive
- Moisture Sensitivity Level (MSL)1 (Unlimited)
- TypeSensor
- FunctionProximity Infrared (IR)
- Utilized IC / PartVCNL4040
- ContentsBoard(s)
- PlatformmikroBUS™ Click™
- RoHS StatusROHS3 Compliant
0 Similar Products Remaining
Technical Documents
Associated Products
| Part Number | Manufacturer | Description | Stock | RFQ |
|---|---|---|---|---|
| Microchip Technology | Driver 2A 4-OUT Hi/Lo Side Inv/Non-Inv 16-Pin QFN EP T/R | 0 | RFQ |


Product
Brand
Articles
Tools














