NXP USA Inc. KIT33812ECUEVMENXP KIT33812ECUEVME. Small Engine Control Reference Design
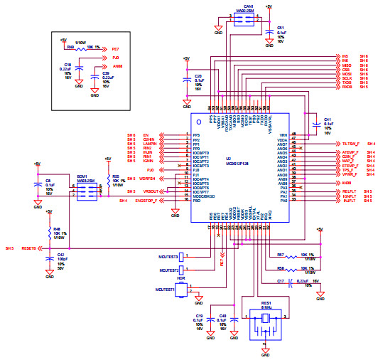
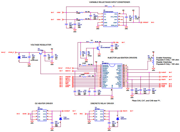
The NXP Semiconductors KIT33812ECUEVME-ECUEVME is a Small Engine Reference Design Kit featuring the MC33812 and MC9S12P128 Small Engine Control. This kit is designed for automotive and transportation applications, and provides a complete solution for controlling small engines. It includes a reference design board, a software development kit, and a comprehensive set of documentation. The MC33812 and MC9S12P128 are powerful, low-power, and cost-effective microcontrollers that provide a wide range of features and peripherals for controlling small engines. The kit also includes a comprehensive set of software libraries and example code to help developers quickly and easily create their own applications. The KIT33812ECUEVME-ECUEVME is an ideal solution for automotive and transportation applications that require reliable and efficient control of small engines.
- TypeParameter
- Published2009
- Part StatusObsolete
- Moisture Sensitivity Level (MSL)1 (Unlimited)
- TypePower Management
- FunctionEngine Control
- Utilized IC / PartMC33812, MC9S12P128
- Supplied ContentsBoard(s), Cable(s)
- Primary AttributesSingle/Dual Cylinder Engine Control Unit (ECU)
- EmbeddedYes, MCU, 16-Bit
- RoHS StatusROHS3 Compliant
| Part Number | Manufacturer | Description | Stock | RFQ |
|---|---|---|---|---|
| Semtech Corporation | IC GPIO EXPANDER I2C 8CH 20QFN | 2683 | RFQ |


Product
Brand
Articles
Tools




























