NXP USA Inc. KIT33814AEEVBEPower Management IC Development Tools 2 Cylinder Small Engine
Description
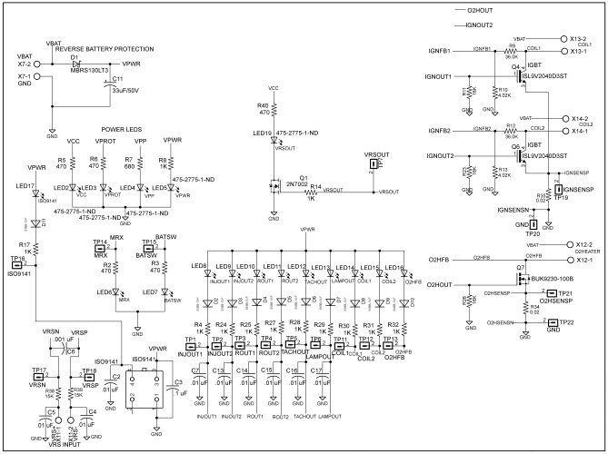
The NXP Semiconductors KIT33814AEEVBE-AEEVBE is an evaluation kit featuring the MC33814 two cylinder small engine control IC. This IC is designed for automotive and transportation applications, providing a cost-effective solution for controlling two-cylinder engines. The kit includes a comprehensive set of components, including a power supply, a USB-to-serial converter, a prototyping board, and a set of cables. It also includes a comprehensive set of software tools, including a graphical user interface, a library of sample programs, and a set of tutorials. The kit is designed to help engineers quickly and easily evaluate the performance of the MC33814 IC, allowing them to quickly develop and test their own applications.
Specifications
NXP USA Inc. technical specifications, attributes, parameters and parts with similar specifications to NXP USA Inc. .
- TypeParameter
- Factory Lead Time15 Weeks
- Published2004
- Part StatusActive
- Moisture Sensitivity Level (MSL)1 (Unlimited)
- TypePower Management
- FunctionEngine Control
- Utilized IC / PartMC33814
- Supplied ContentsBoard(s)
- Secondary AttributesSPI Interface
- RoHS StatusROHS3 Compliant
0 Similar Products Remaining
Technical Documents
Associated Products
| Part Number | Manufacturer | Description | Stock | RFQ |
|---|---|---|---|---|
| Infineon Technologies | IC SECONDARY SIDE CTRLR 8SOIC | 2500 | RFQ |


Product
Brand
Articles
Tools












